EasyManua.ls Logo

Cessna 170 - Late Style Battery Solenoid (Relay)

Cessna 170
42 pages
Print Icon
To Next Page IconTo Next Page
To Next Page IconTo Next Page
To Previous Page IconTo Previous Page
To Previous Page IconTo Previous Page
Loading...
Cessna 170 Service Manual
Electrical System
Appdx. EL 1
Fig. EL-01 Ground Service Plug and Early Battery Solenoid (Relay)
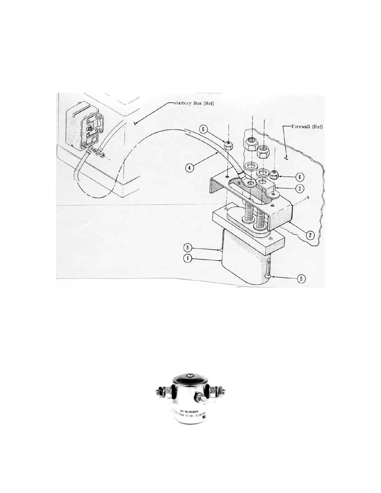
Fig. EL-02 Late Style Battery Solenoid (Relay)

Related product manuals