EasyManua.ls Logo

Chamberlain SL1000 - Piezas de Repuesto

Chamberlain SL1000
56 pages
Print Icon
To Next Page IconTo Next Page
To Next Page IconTo Next Page
To Previous Page IconTo Previous Page
To Previous Page IconTo Previous Page
Loading...
27
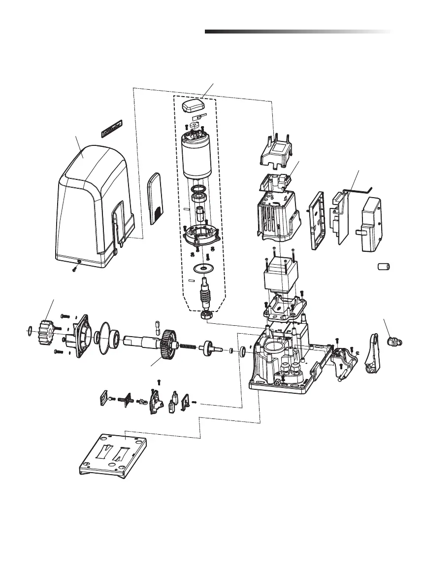
PIEZAS DE REPUESTO
K130026 (Modelo SL600)
K130046 (Modelo SL1000)
Motor completo
K320440
Llave y tambor
de repuesto
K210504
Plástico de la transmisión
de tornillo sin fi n
K320174
Engranaje de salida
K210720 (Modelo SL600)
K210794 (Modelo SL1000)
Cubierta del operador y
puerta de acceso
K140364
Tarjeta de control
K140368
Tarjeta de
alimentación

Table of Contents

Related product manuals