EasyManua.ls Logo

Champion PORTABLE GENERATOR - Wiring Diagram

Champion PORTABLE GENERATOR
32 pages
Print Icon
To Next Page IconTo Next Page
To Next Page IconTo Next Page
To Previous Page IconTo Previous Page
To Previous Page IconTo Previous Page
Loading...
Specifications
22 Rev 41152-20100413 E
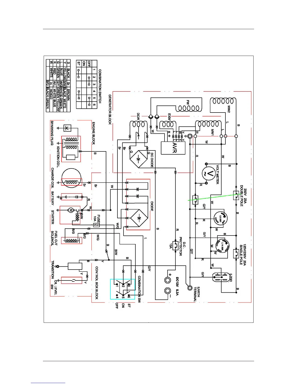
Wiring Diagram