EasyManua.ls Logo

Chroma 66201 - Appendix B Circuit Diagram

Chroma 66201
107 pages
Print Icon
To Next Page IconTo Next Page
To Next Page IconTo Next Page
To Previous Page IconTo Previous Page
To Previous Page IconTo Previous Page
Loading...
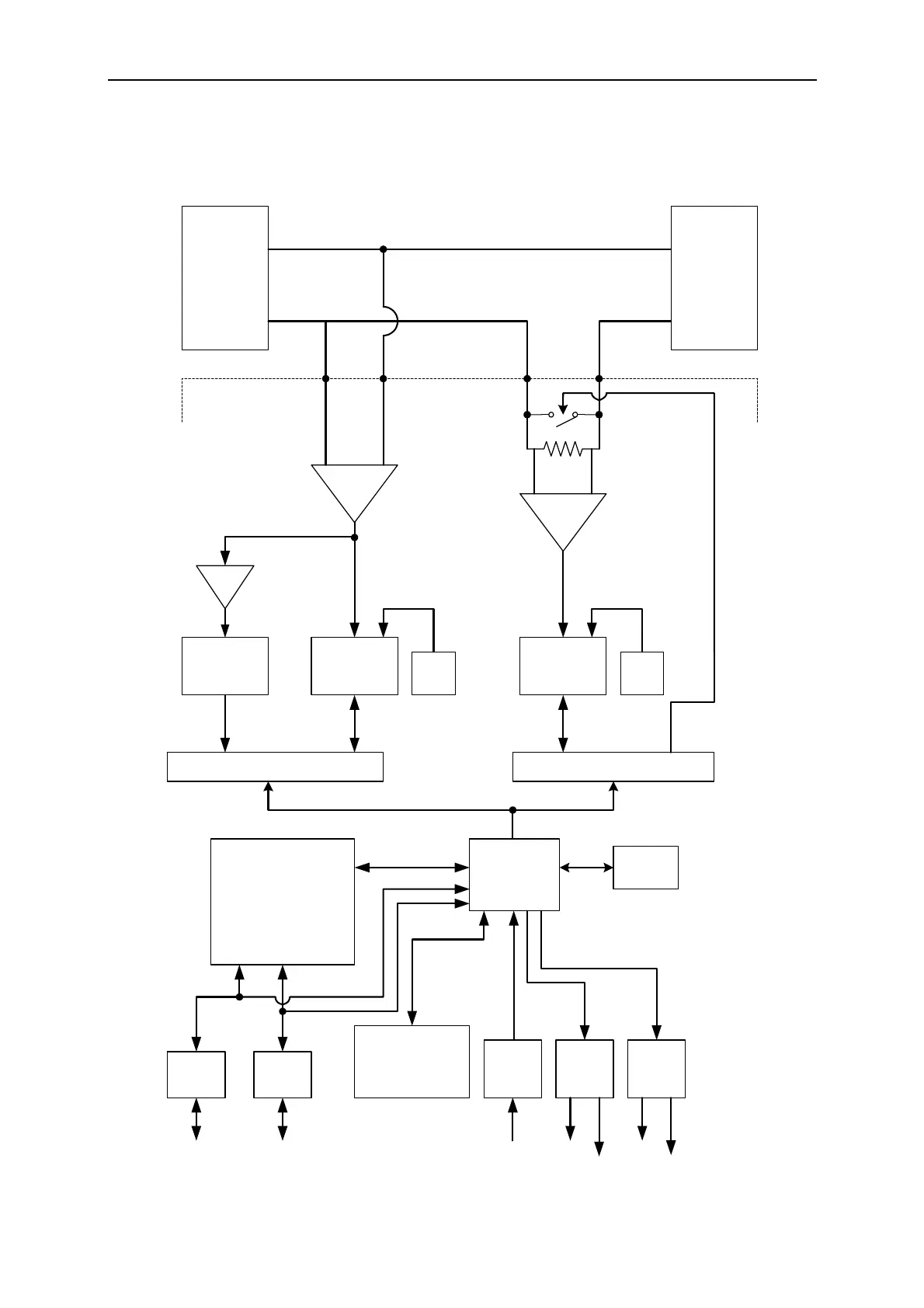
Appendix B Circuit Diagrm
Appendix B Circuit Diagram
Source UUT
Shunt
Hi
Lo
Hi
Lo
66201
Range Amp
Circuit
Range Amp
Circuit
V+V- I - I+
HPF
Zero-Cross
Detector
ADC
Vref
Isolation Circuit Isolation Circuit
ADC
Vref
OCP
Protect
Relay
DSP
CPLD
EEPRO
M
USB GPIB
Key Pad
LED Display
PASS
Relay
FAIL
Relay
PC PC
Limit
Trig
Pass+
Pass-
Fail+
Fail-
Limit
Trig
B-1

Other manuals for Chroma 66201

Related product manuals