EasyManua.ls Logo

CHUNLAN FRD23 - Page 56

CHUNLAN FRD23
115 pages
Print Icon
To Next Page IconTo Next Page
To Next Page IconTo Next Page
To Previous Page IconTo Previous Page
To Previous Page IconTo Previous Page
Loading...
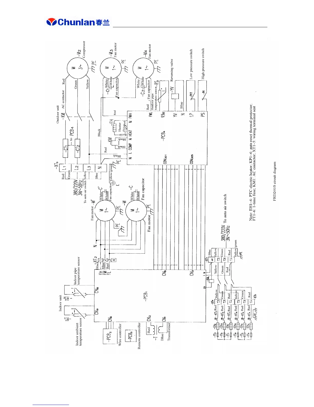
Circuit diagrams
- 54 -

Table of Contents

Related product manuals