EasyManua.ls Logo

Chuphotic KR6000 - Page 32

Chuphotic KR6000
47 pages
Print Icon
To Next Page IconTo Next Page
To Next Page IconTo Next Page
To Previous Page IconTo Previous Page
To Previous Page IconTo Previous Page
Loading...
KR series6-10kVAusers manual
- 29 -
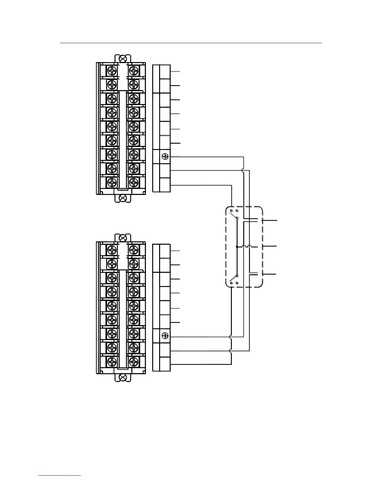
UPS2L
UPS1L
GND
LN
PE
U
NN
L
OUTPUT
INPUT
BATTERY
+
-
V W WV
-
+
BATTERY
INPUT
OUTPUT
L
N N
U
PE
Power Distribution Box
AC OUTPUT "N"
AC OUTPUT "L"
BATTERY-
BATTERY+
AC Input "W"
AC Input "V"
AC Input "U"
AC Input "N"
AC Input "N"
AC Input "U"
AC Input "V"
AC Input "W"
BATTERY+
BATTERY-
GND
Fig 4.9-4 Parallel connection procedures for KR/B3110S

Table of Contents

Related product manuals