EasyManua.ls Logo

CIAC IMVF Series - Wiring Diagram; Electrical Wiring Schematic

CIAC IMVF Series
43 pages
Print Icon
To Next Page IconTo Next Page
To Next Page IconTo Next Page
To Previous Page IconTo Previous Page
To Previous Page IconTo Previous Page
Loading...
7
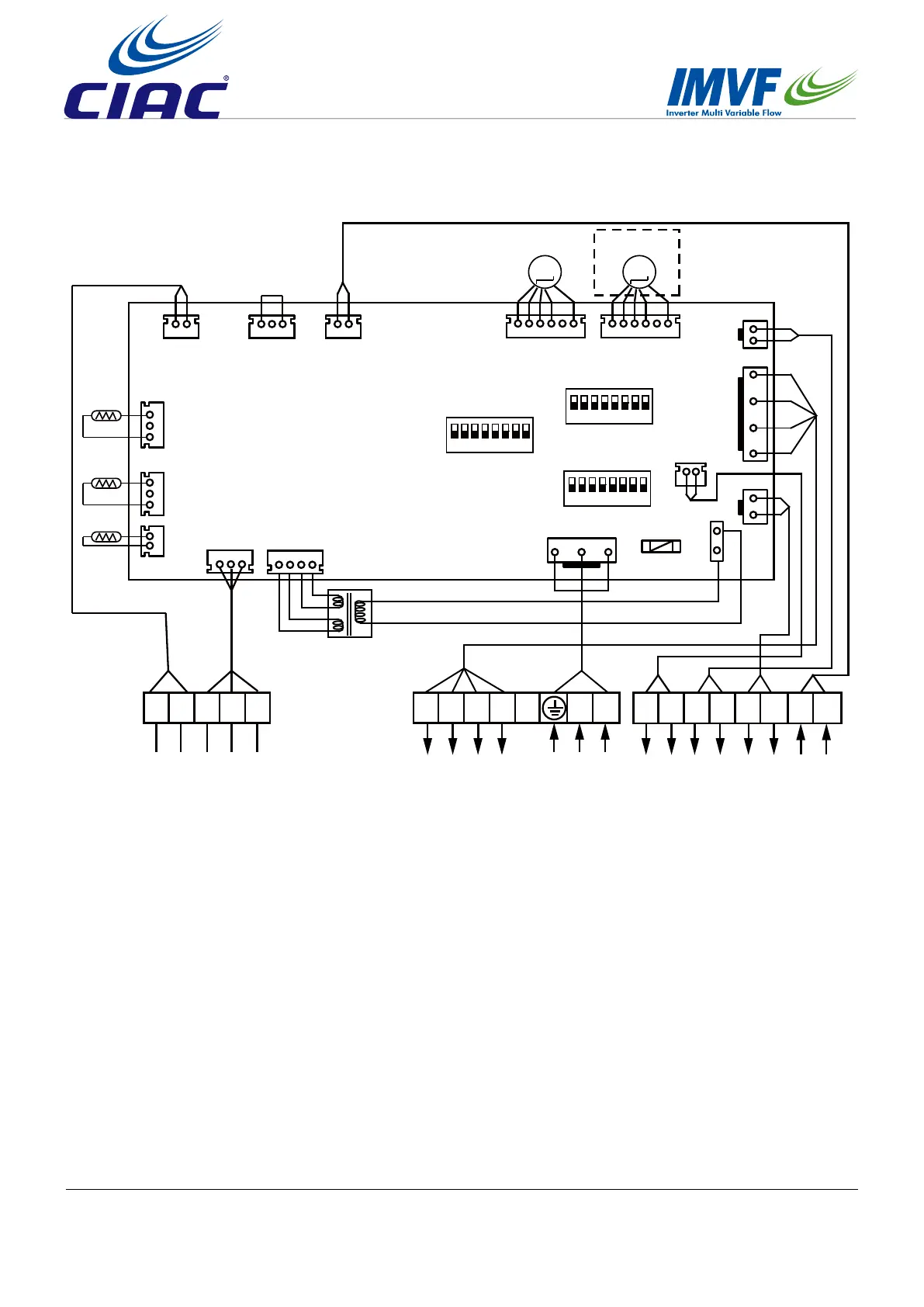
4. Wiring diagram
SW01
ON
1 2 3 4 5 6 7 8
CN10CN15
CN18
CN19
CN20
CN16
CN3
CN7
CN1
TC2
TC1
ON
SW07
Outdoor
unit
Controller
1 2 3 4 5 6 7 8
ON
SW03
Power
Input 220V
FAN Speed
AC 220V
Output
DC 12V
1 2 3 4 5 6 7 8
6.3A 250VAC
FUSE1
PMV1
M
P Q A B C LH M L N V1 V2 D1 D2 P1 P2N
CN24CN22
TA
CN31
CN33
CN8
{
{
{
{
Input
ON/OFF
{
Output
Dry
contact
{
Output
AC 220V
{
{
K1 K2
CN13 CN12
PMV2
M

Related product manuals