EasyManua.ls Logo

Clarion db338r - Page 22

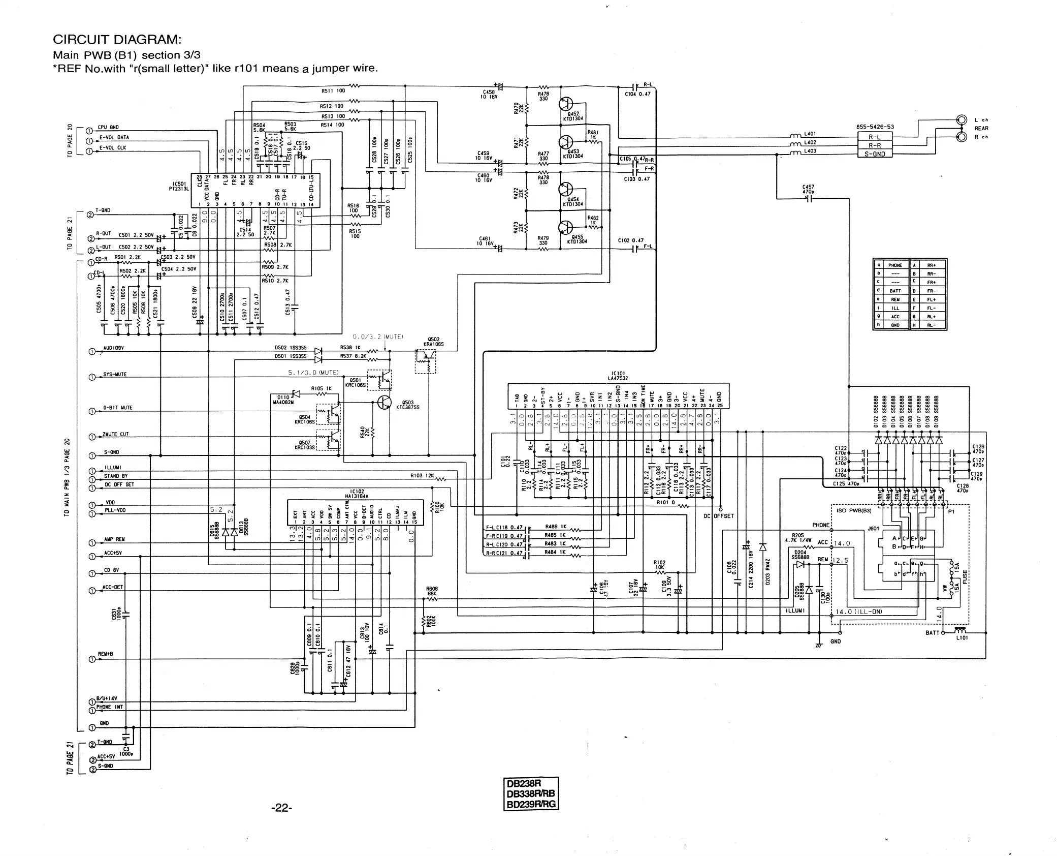
Clarion db338r
22 pages
Print Icon
To Previous Page IconTo Previous Page
To Previous Page IconTo Previous Page
Loading...
www.freeservicemanuals.info
6/4/2014
Global electronic heritage manuals

Related product manuals