EasyManua.ls Logo

Clarion db338r - Page 4

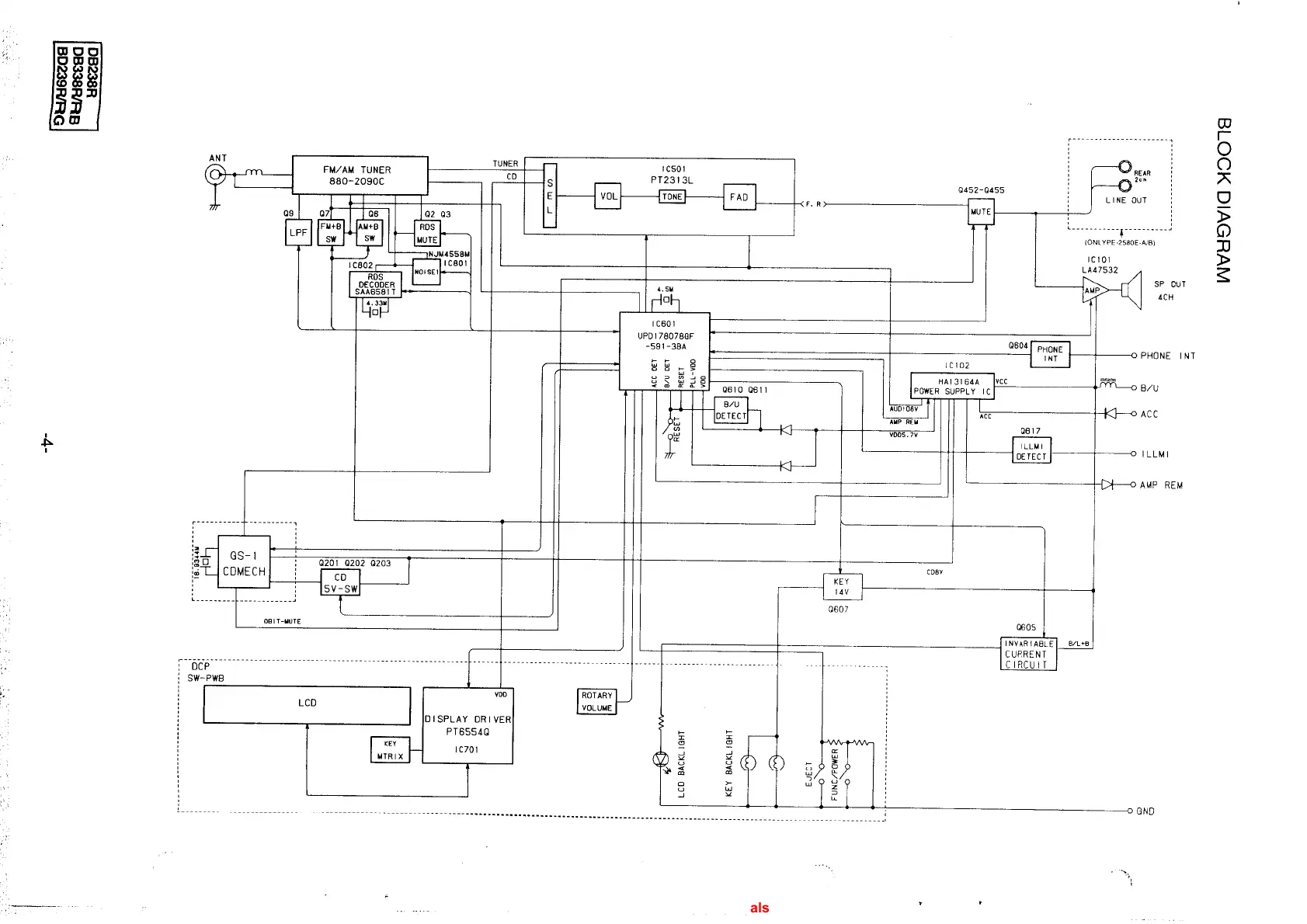
Clarion db338r
22 pages
Print Icon
To Next Page IconTo Next Page
To Next Page IconTo Next Page
To Previous Page IconTo Previous Page
To Previous Page IconTo Previous Page
Loading...
www.freeservicemanuals.info
6/4/2014
Global electronic heritage manuals

Related product manuals