EasyManua.ls Logo

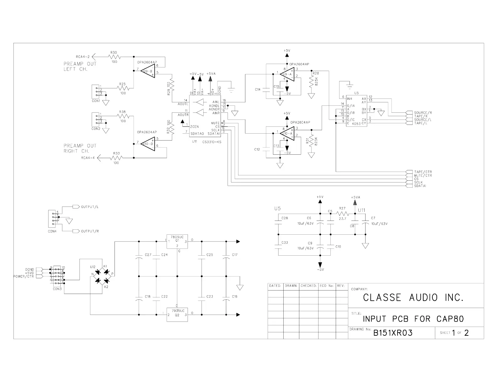
Classe Audio CAP-80 - Schematics

Classe Audio CAP-80
19 pages
Print Icon
To Next Page IconTo Next Page
To Next Page IconTo Next Page
To Previous Page IconTo Previous Page
To Previous Page IconTo Previous Page
Loading...

Related product manuals