EasyManua.ls Logo

ClassicFlame 36EB110-GRT - Sección 9: Esquema de Conexiones

ClassicFlame 36EB110-GRT
47 pages
Print Icon
To Next Page IconTo Next Page
To Next Page IconTo Next Page
To Previous Page IconTo Previous Page
To Previous Page IconTo Previous Page
Loading...
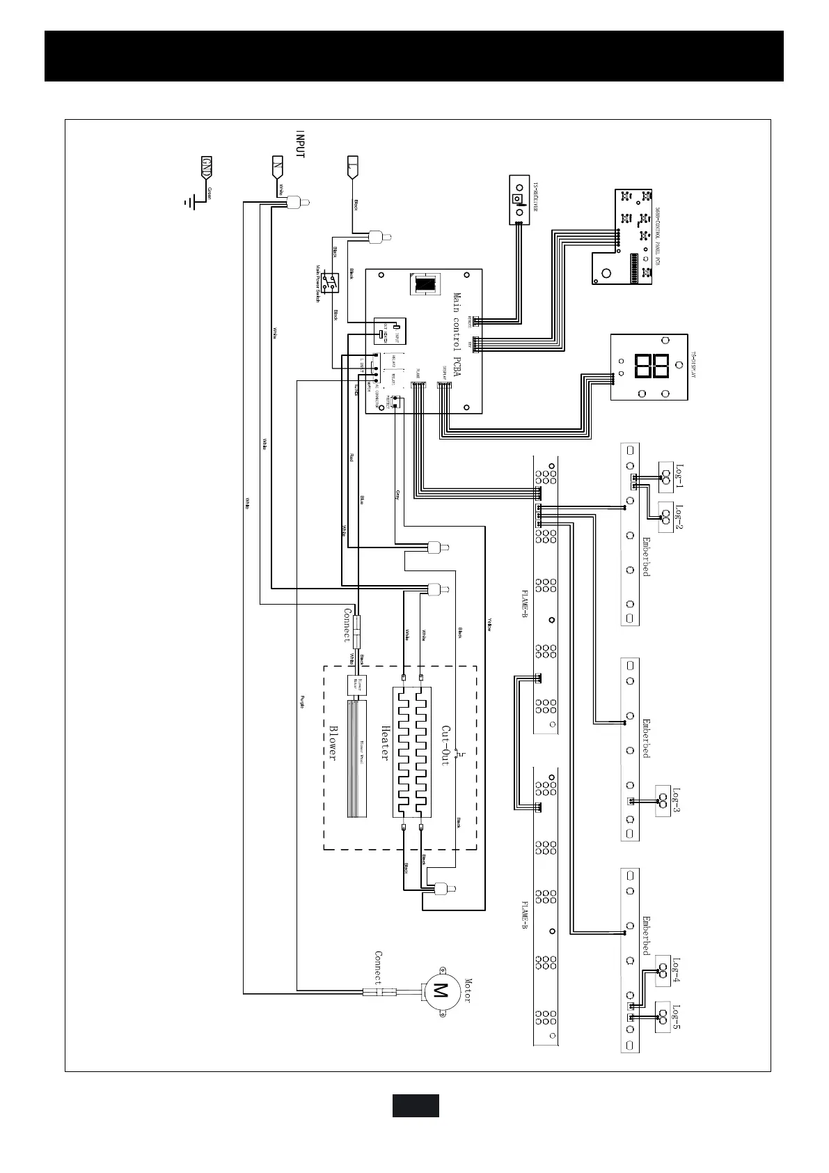
SECCIÓN 9: ESQUEMA DE CONEXIONES
S-12
36EB110-GRT

Related product manuals