EasyManua.ls Logo

ClearCom FOR-22 - Schematic for Level Detect PCB

Default Icon
28 pages
Print Icon
To Next Page IconTo Next Page
To Next Page IconTo Next Page
To Previous Page IconTo Previous Page
To Previous Page IconTo Previous Page
Loading...
FOR-22 4-WIRE INTERFACE
3-6
SCHEMATIC FOR LEVEL DETECT PCB
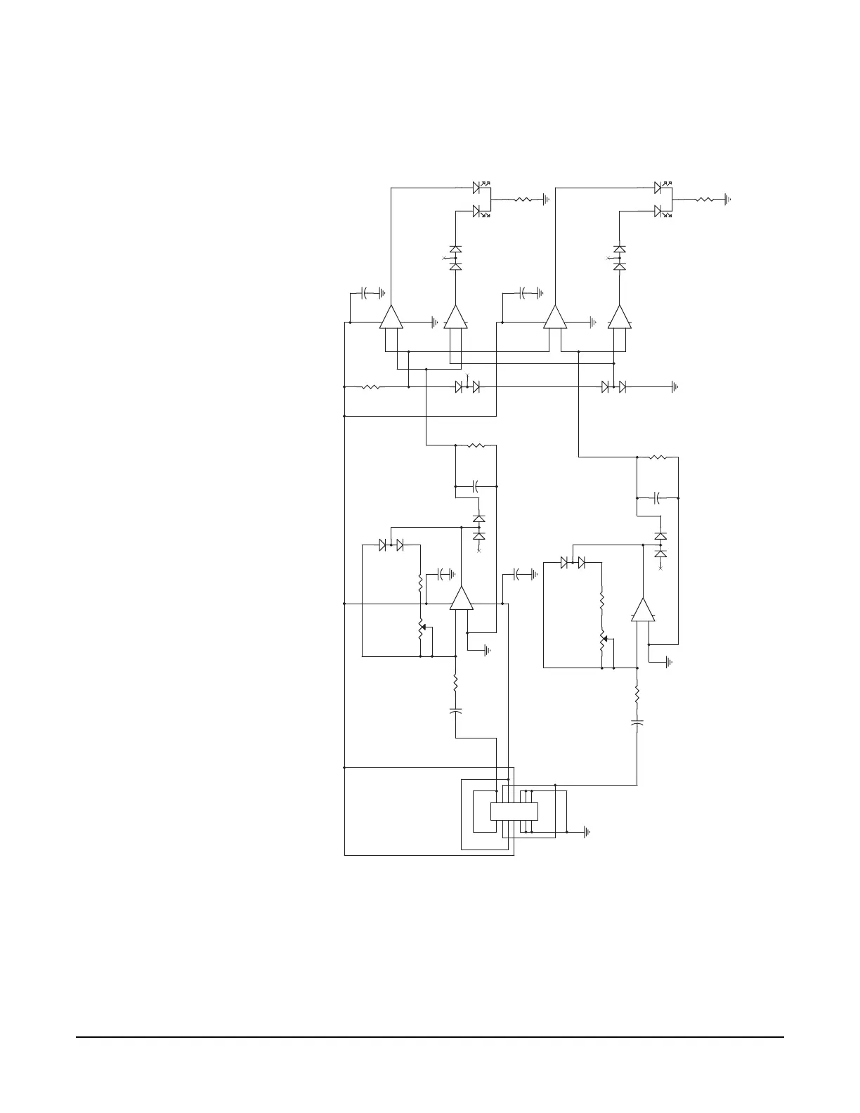
Figure 4: Schematic for Level Detect PCB, Rev. B
LEVEL DETECT PCB
ASY 710571
THRESHOLD
THRESHOLD
R3
332K
C4
.22uF
R2
23.7K
C6
.1uF
+
-
IC3B
LM358
5
6
7
+
-
IC2B
LM358
5
6
7
+
-
IC1A
LM
833
3
2
1
84
D7
BAV99
1 2
3
VR2
100K
31
2
D4
BAV99
1 2
3
C8
.1uF
R
G
2
1
3
LED2
D5
BAV99
12
3
C1
.47uF
D8
BAV99
1 2
3
R5
23.7K
C5
.1uF
C7
.1uF
+
-
IC3A
LM358
3
2
1
84
D6
BAV99
12
3
C3
.47uF
D3
BAV99
12
3
R4
47.5K
+
-
IC1B
LM833
5
6
7
R9
475
P1
1
3
5
7
9
11
13
2
4
6
8
10
12
14
+
+
+
+
+
+
+
+
+
+
+
+
+
+
D1
BAV99
12
3
R1
47.5K
R7
47.5K
R
G
2
1
3
LED1
+
-
IC2A
LM358
3
2
1
84
R8
475
R6
332K
D2
BAV99
1 2
3
VR1
100K
31
2
C2
.22uF