EasyManua.ls Logo

CLIVET ELFOROOM 11 - Page 17

CLIVET ELFOROOM 11
Print Icon
To Next Page IconTo Next Page
To Next Page IconTo Next Page
To Previous Page IconTo Previous Page
To Previous Page IconTo Previous Page
Loading...
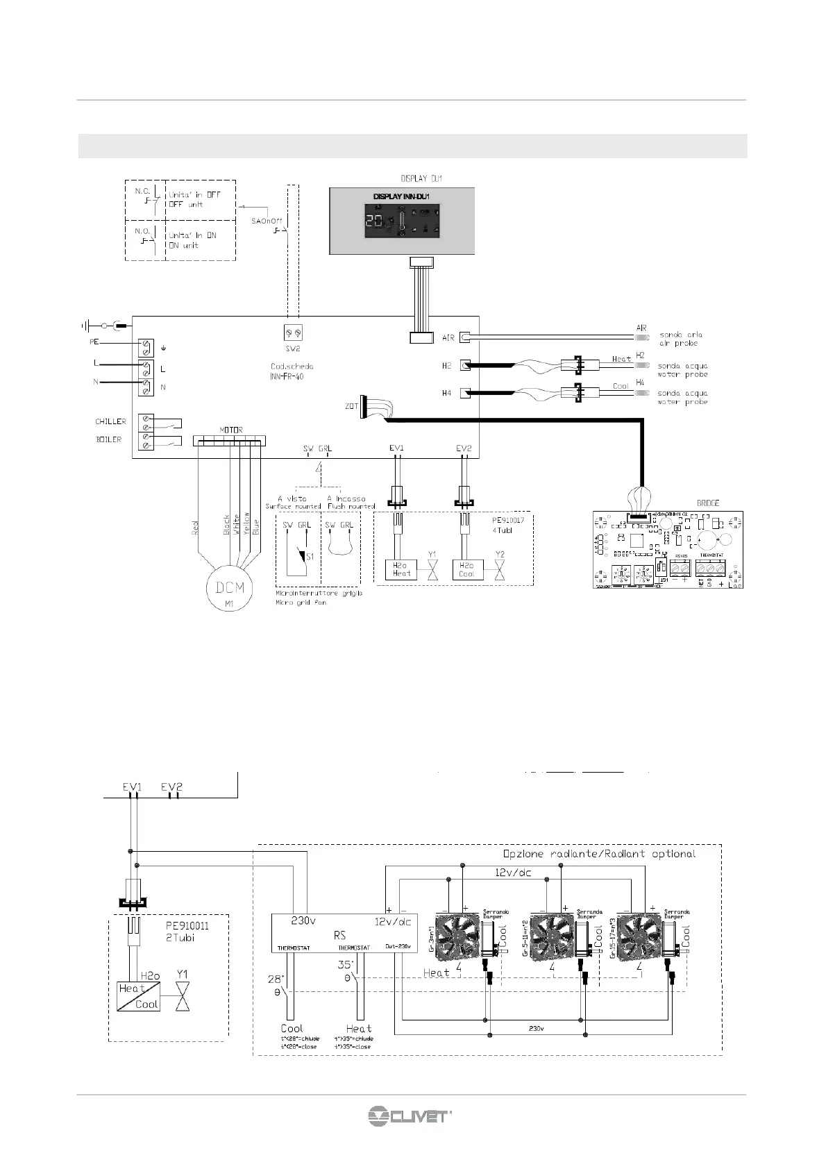
5 - COLLEGAMENTI ELETTRICI
5.6 Collegamento con termostato a bordo
BOILER uscita consenso riscaldamento (boiler-caldaia)
contatto pulito max 1A
CHILLER uscita consenso raffreddamento (chiller)
contatto pulito max 1A
SW2 ON / OFF remoto
H2 sonda temperatura acqua (4T riscaldamento)
2T raffreddamento / riscaldamento
H4 sonda temperatura acqua (4T raffreddamento)
S1 microinterruttore sicurezza griglia
Y1 Elettrovalvola acqua (4T riscaldamento)
(2T riscaldamento / raffreddamento)
Y2 Elettrovalvola acqua (4T raffreddamento)
4 tubi : Y1 + Y2
2 tubi : Y1
17

Table of Contents

Related product manuals