EasyManua.ls Logo

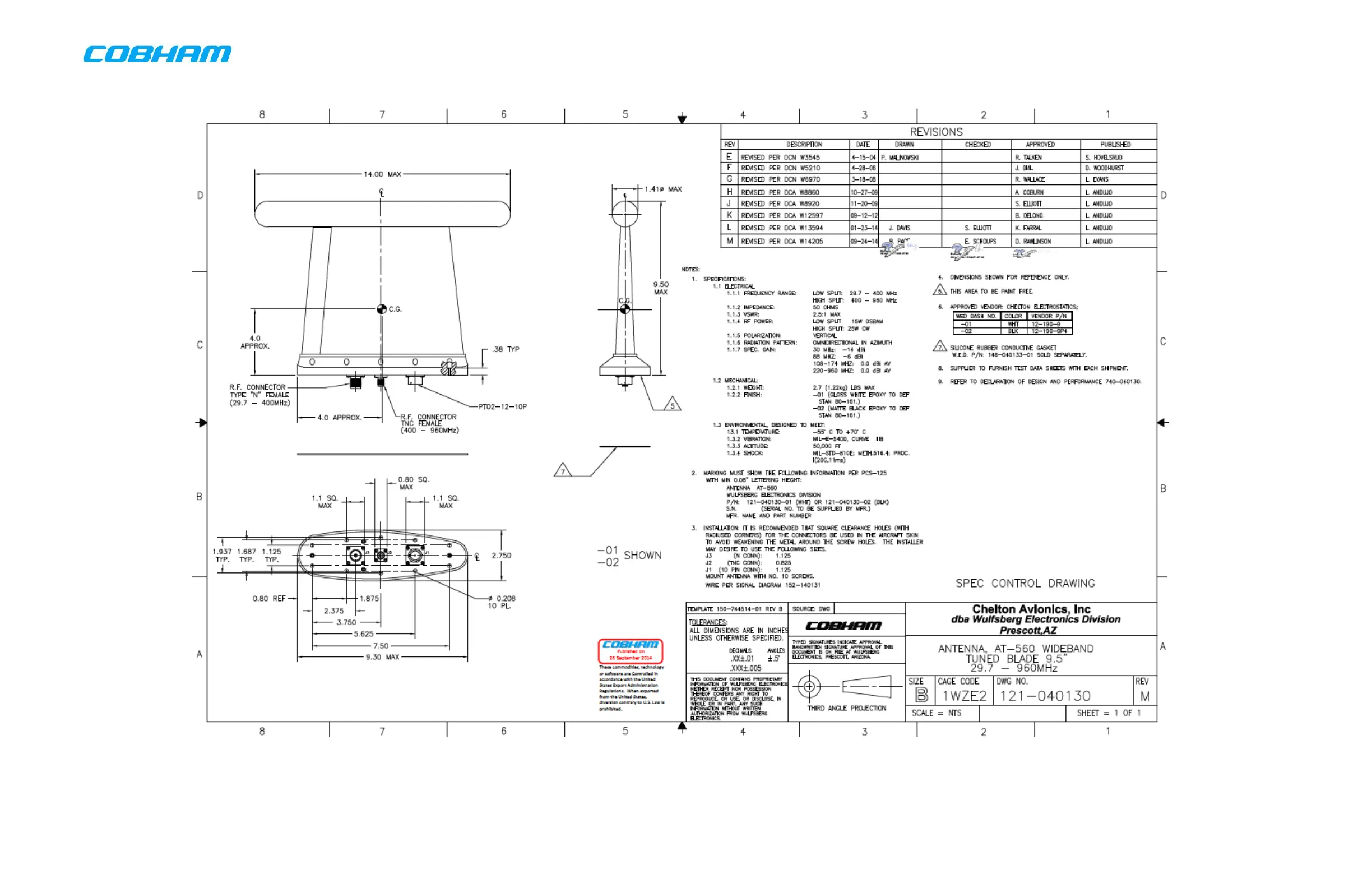
COBHAM RT-7000 Series - Figure 6-6: AT-560 Antenna Envelope Drawing (Sheet 1 of 1) (Dwg No. 121-040130.M, Rev. M)

COBHAM RT-7000 Series
138 pages
Print Icon
To Next Page IconTo Next Page
To Next Page IconTo Next Page
To Previous Page IconTo Previous Page
To Previous Page IconTo Previous Page
Loading...
150-071724 Rev N
This document contains proprietary information, see
proprietary statement on first page.
Page 49 of 138
Figure 6-6: AT-560 Antenna Envelope Drawing (Sheet 1 of 1) (Dwg No. 121-040130.M, Rev. M)
These commodities, technology or software are controlled in accordance with the United States Export Administration Regulations, Export Classification
Control Number (ECCN) EAR99. When exporting, diversion contrary to U.S. law is prohibited.

Table of Contents

Related product manuals