EasyManua.ls Logo

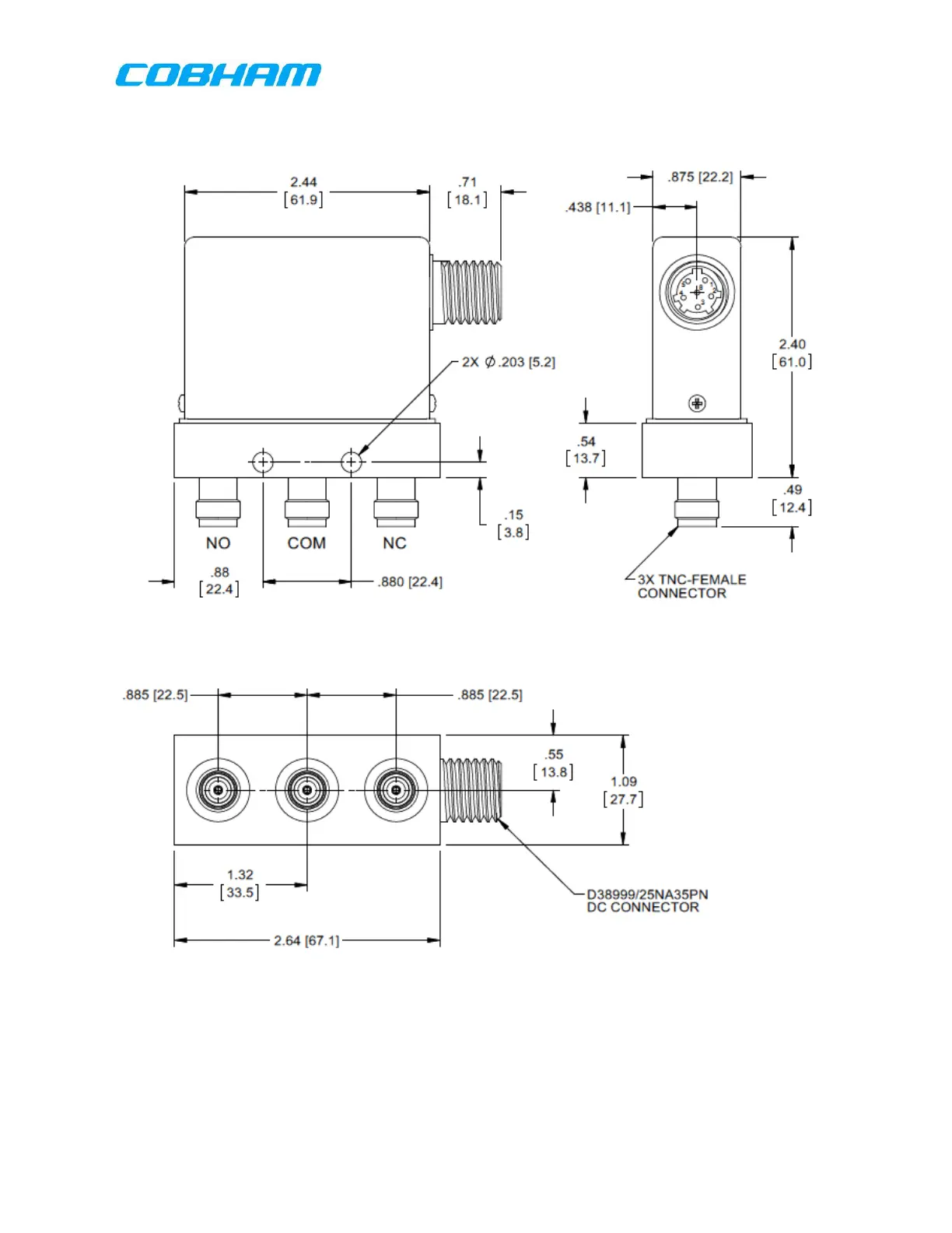
COBHAM RT-7000 Series - Figure 6-16: Antenna Switching Unit

COBHAM RT-7000 Series
138 pages
Print Icon
To Next Page IconTo Next Page
To Next Page IconTo Next Page
To Previous Page IconTo Previous Page
To Previous Page IconTo Previous Page
Loading...
150-071724 Rev N
This document contains proprietary information, see
proprietary statement on first page.
Page 59 of 138
Figure 6-16: Antenna Switching Unit
These commodities, technology or software are controlled in accordance with the United States Export Administration Regulations, Export Classification
Control Number (ECCN) EAR99. When exporting, diversion contrary to U.S. law is prohibited.

Table of Contents

Related product manuals