EasyManua.ls Logo

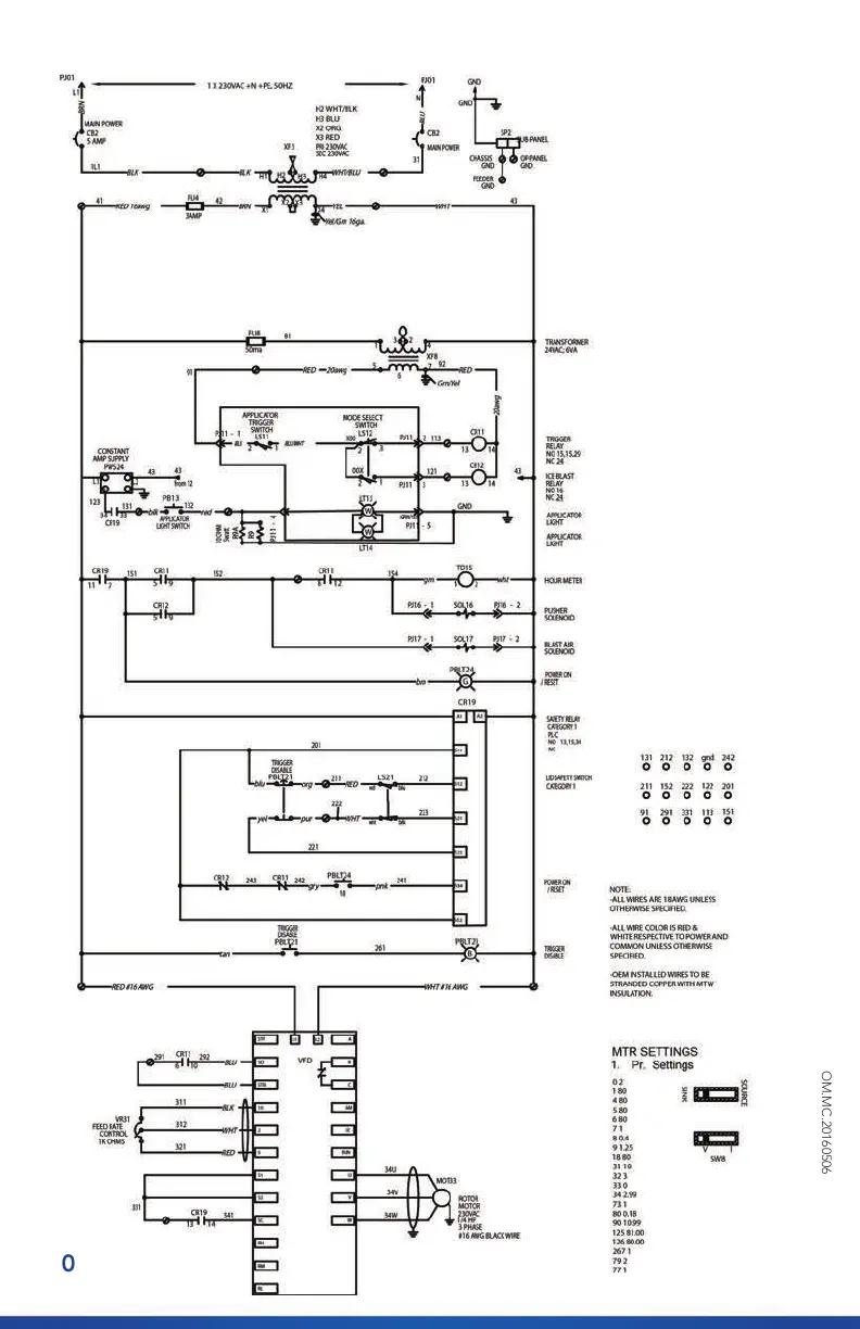
Cold Jet i3 MICROCLEAN - 230 V. Schematic and BOM

Cold Jet i3 MICROCLEAN
44 pages
Print Icon
To Next Page IconTo Next Page
To Next Page IconTo Next Page
To Previous Page IconTo Previous Page
To Previous Page IconTo Previous Page
Loading...
30
30
OM.MC.20160506
SCHEMATICS: 230V (1OF3)

Related product manuals