EasyManua.ls Logo

Comba Telecom CriticalPoint UHF DAS - DC Power and Monitor Cable Connection between Eu and Eu; Rf Cable Connection; Web Access; Dry Contact Cable

Default Icon
42 pages
Print Icon
To Next Page IconTo Next Page
To Next Page IconTo Next Page
To Previous Page IconTo Previous Page
To Previous Page IconTo Previous Page
Loading...
INSTALLATION GUIDE FOR UHF DAS
ENU STATUS : 1-0-0
Copyright - refer to title page
Page 31
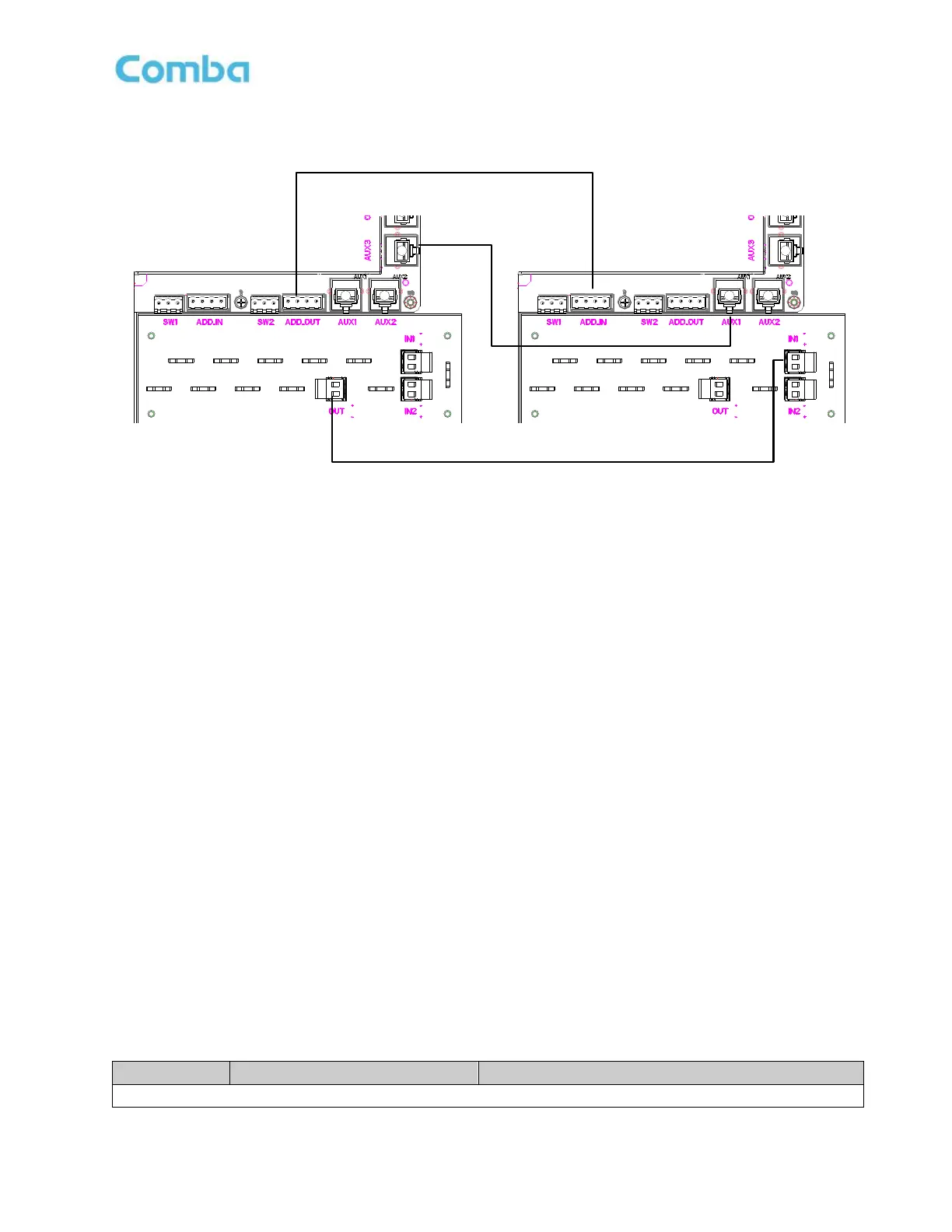
3.3.11 DC POWER AND MONITOR CABLE CONNECTION BETWEEN EU AND EU
Figure 21: DC power and Monitor cable connection for EU
Power CableOUT+→IN1+OUT-→IN1-
Monitor CableADD_OUT→ADD_IN
RJ45 CableAUX3→AUX1
3.3.12 RF CABLE CONNECTION
UHF PS DAS RF cables connection is as follows:
UHF PS DAS MU DT/DL IN port Connects to the feeder cable from the donor antenna.
UHF PS DAS MU MT/DL OUT port Connects to the feeder cable from the service antenna infrastructure.
UHF PS DAS MU IN1/OUT1 ports Connects to UL1/DL1 or UL2/DL2
UHF PS DAS RU MT port Connects to the feeder cable from the service antenna infrastructure.
3.3.13 WEB ACCESS
Connect ‘OMT or ‘LAN’ using regular Ethernet cable, then use the correct IP address in the browser to access to the
WEB GUI
3.3.14 DRY CONTACT CABLE
Below please find the pin definitions of Dry Contact Cables.
Table 4: Pin Definition of Dry Contact Cable
Pin NO.
Pin
Input
ALM1
Power Cable
Monitor Cable
RJ45 Cable
EU 1
EU 2