EasyManua.ls Logo

CombiLift C-Series - Hydraulic Drive Circuit

CombiLift C-Series
150 pages
Print Icon
To Next Page IconTo Next Page
To Next Page IconTo Next Page
To Previous Page IconTo Previous Page
To Previous Page IconTo Previous Page
Loading...
Appendices
144
C3M2-OM-EN-02
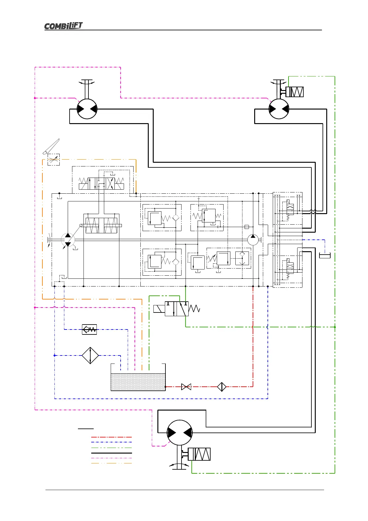
7.4 Hydraulic Drive Circuit
1
L
R
T1
350 B A R
T2
A
25 B A R
G
S
350 B A R
Ps
B
X
A
B
R
L
X
X1 X2
R
1
13
2
L
MA
MBFe
TRA NS MISS ION P UMP
Rotary Inc h Valv e
Rear Wheel Motor
L H W HEE L M OT OR
RH W HEEL M OTOR
Legend
P ump S uction Line
P ump Drain Lines
B rake Release Lines
Motor Drive Lines
Motor D rain Lines
Control P ressure
b
a
OI L COOL E R
BRAKE VAL VE
NON-RET URN
VALVE - 2 BAR
SHUT-OFF
VAL VE
SUCT ION F I L T ER
1 0 M ICRON NOM INAL
Purge Valve
TP
BA
TP
BA
P3
P4
B
A
B
A
P1
P2
X

Table of Contents

Related product manuals