EasyManua.ls Logo

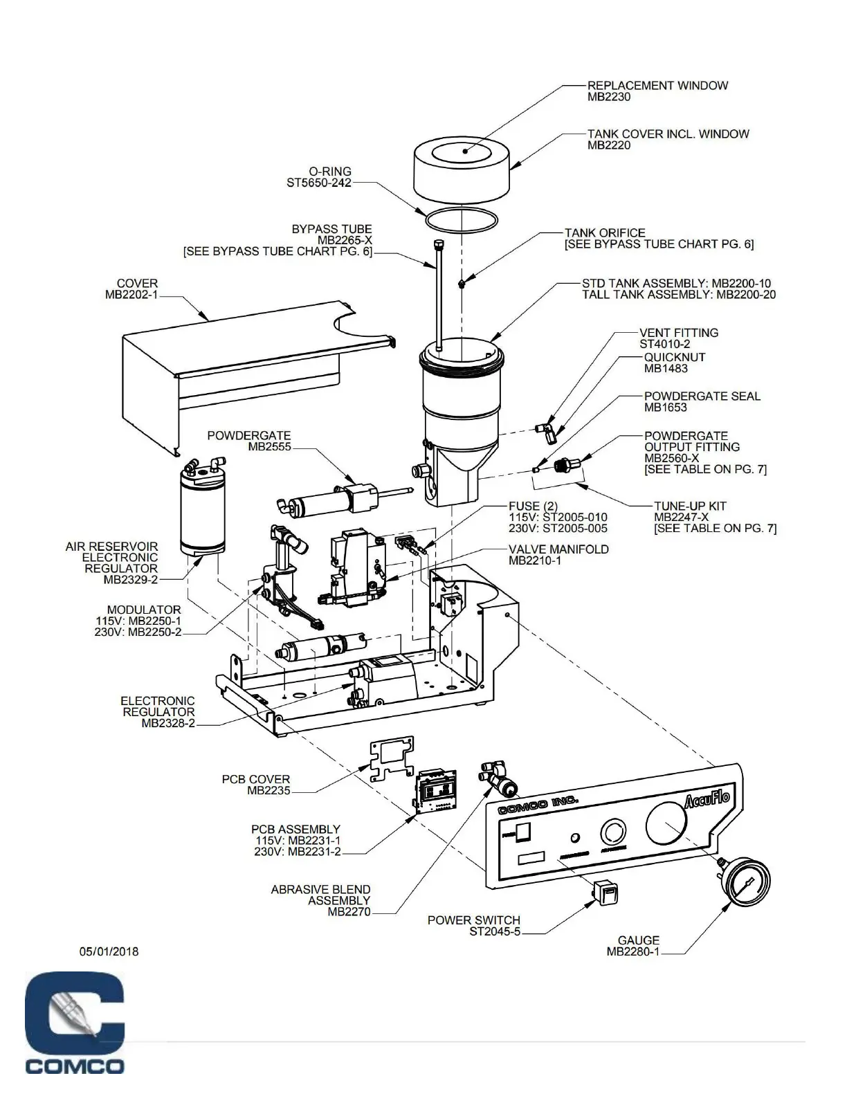
Comco AccuFlo AF10-E - AF10-E Components

Default Icon
14 pages
Print Icon
To Next Page IconTo Next Page
To Next Page IconTo Next Page
To Previous Page IconTo Previous Page
To Previous Page IconTo Previous Page
Loading...
8
1‐818‐841‐5500
AF10‐EComponents