EasyManua.ls Logo

Comelit PL8461V - Page 42

Comelit PL8461V
48 pages
Print Icon
To Next Page IconTo Next Page
To Next Page IconTo Next Page
To Previous Page IconTo Previous Page
To Previous Page IconTo Previous Page
Loading...
42
4
LL
LM
LM
OUT
L
IN
L
IN
L
OUT
L
1214/2C
1209
LM
LM
OUT
L
IN
L
IN
L
OUT
L
1214/2C
LL
LL
1216
CFP CFP
CFP CFP
LL
CFP CFP
LL
CFP CFP
L
N
110-240V
L2
L2
L1
L1
LM
LM
OUT
L
IN
L
IN
L
OUT
L
1214/2C
LM
LM
OUT
L
IN
L
IN
L
OUT
L
1214/2C
1
3
2
4
1
2
3
4
Kit
4893M
12 VAC/VDC
18 Ω MAX
LL
O
D
E
T
R
NO
SE
-
SE
+
NC C
M
O
C
PL6721
PL6721
PL6721
PL6721
PL8461V
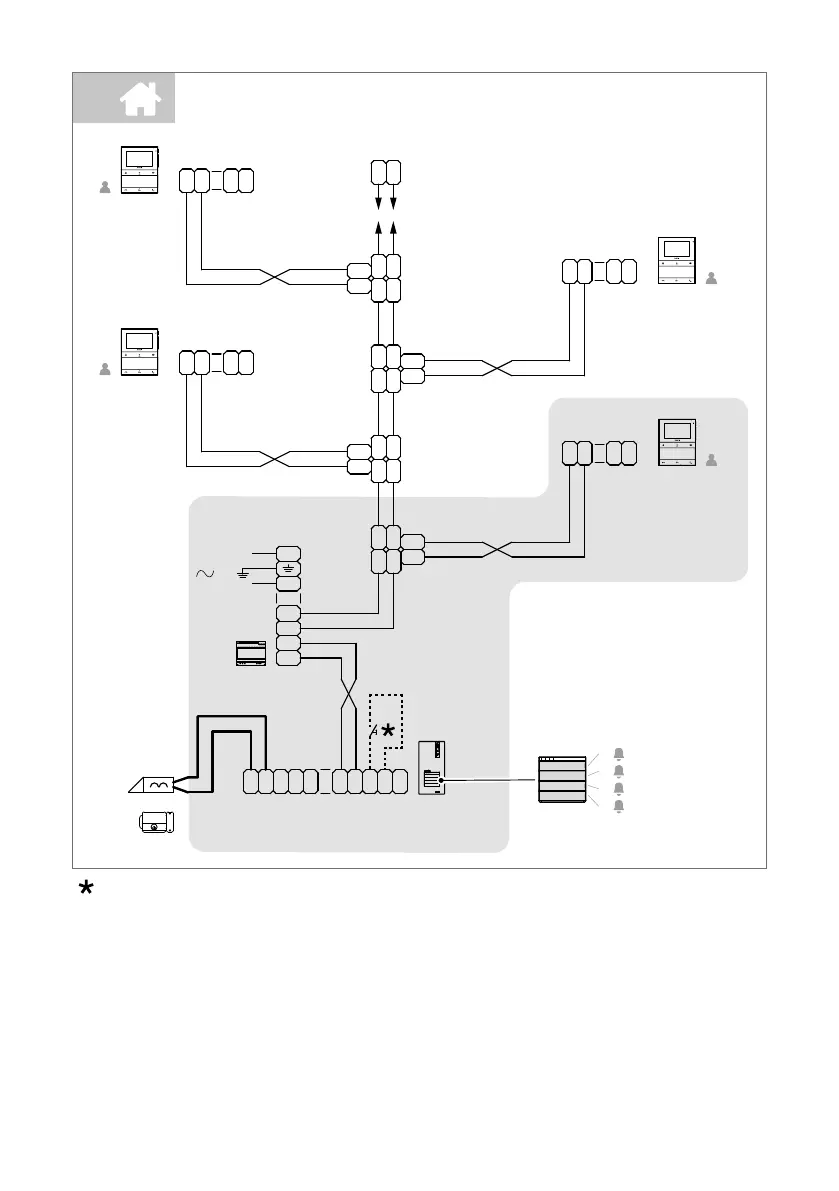
Max. 20 m. Local door-opener button.
| Table of contents |

Related product manuals