EasyManua.ls Logo

Comelit YDPI2 - Schemi DI Collegamento

Comelit YDPI2
Print Icon
To Next Page IconTo Next Page
To Next Page IconTo Next Page
To Previous Page IconTo Previous Page
To Previous Page IconTo Previous Page
Loading...
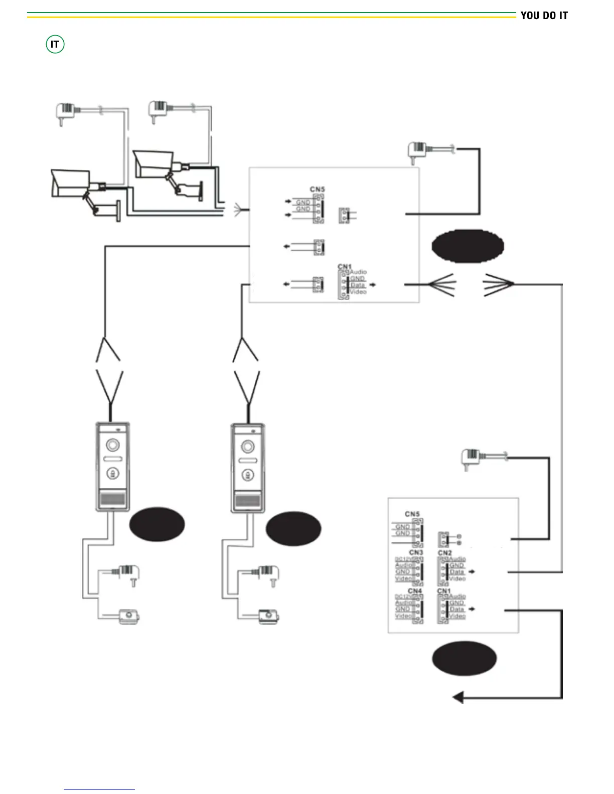
Alimentatori per telecamere scorporate (12Vdc, non inclusi)
SCHEMI DI COLLEGAMENTO
Alimentatore switching 15Vdc
AUDIO
GND
DATA
VIDEO
CAM1
CAM2
AUDIO
GND
DATA
VIDEO
GND
GND
VIDEO
INPUT1
VIDEO
INPUT2
Al prossimo
monitor
MASTER
GND DC 15V/Video/Audio GND DC 15V/Video/Audio
Alimentatore AC/DC
(non incluso)
Serratura elettrica
(non inclusa)
Alimentatore AC/DC
(non incluso)
Serratura elettrica
(non inclusa)
SLAVE
POSTO
ESTERNO 1
Prossimo monitor
GND
VI/AI/VCC
GND
VI/AI/VCC
CAMDOOR1
DOOR2
POWEROUT
CAMDOOR1
DOOR2
POWEROUT
Al prossimo
monitor
Dal
precedente
monitor
POSTO
ESTERNO 2
Alimentatore switching 15Vdc
Alimentazione
Alimentazione
Primo posto
esterno
Secondo
posto esterno
YDPE1 YDPE1
YDPI2