EasyManua.ls Logo

Comelit YDPI2 - Wiring Connection

Comelit YDPI2
Print Icon
To Next Page IconTo Next Page
To Next Page IconTo Next Page
To Previous Page IconTo Previous Page
To Previous Page IconTo Previous Page
Loading...
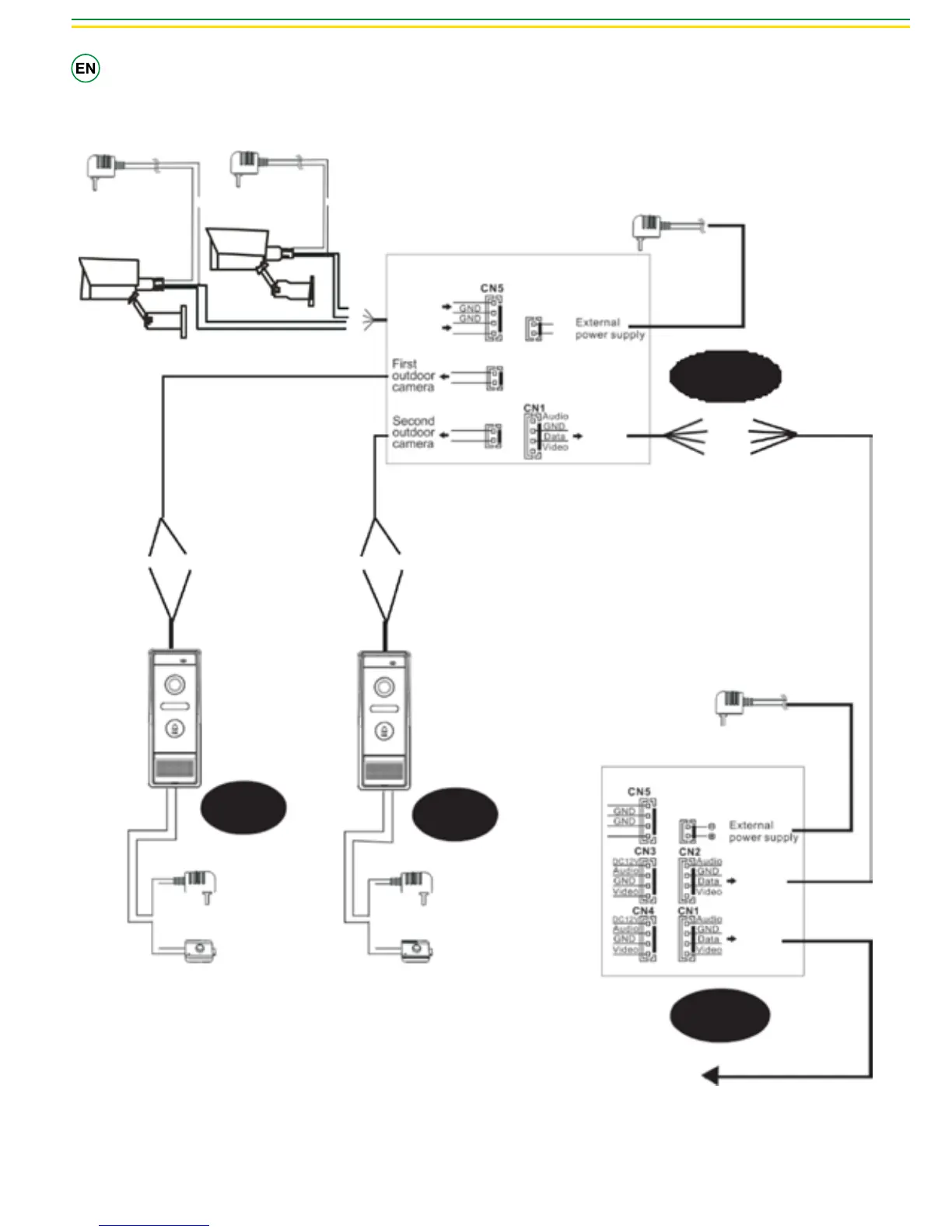
WIRING CONNECTION
Power adapter for external cameras (12Vdc, not included)
External switching power supply 15Vdc
AUDIO
GND
DATA
VIDEO
CAM1
CAM2
AUDIO
GND
DATA
VIDEO
GND
GND
VIDEO
INPUT1
VIDEO
INPUT2
To next
extension
indoor unit
(CN1)
MASTER
GND DC 15V/Video/Audio GND DC 15V/Video/Audio
AC/DC power adapter
for unlocking (not
included)
Lock (not included)
SLAVE
DOOR1
Next slave
GND
VI/AI/VCC
GND
VI/AI/VCC
CAMDOOR1
DOOR2
POWEROUT
CAMDOOR1
DOOR2
POWEROUT
To next
extension
indoor unit
(CN1)
Extension
indoor unit
(CN2)
DOOR2
AC/DC power adapter
for unlocking (not
included)
Lock (not included)
External switching power supply
YDPE1
YDPE1