EasyManua.ls Logo

Commodore 1084S-P1 - Page 18

Commodore 1084S-P1
29 pages
Print Icon
To Next Page IconTo Next Page
To Next Page IconTo Next Page
To Previous Page IconTo Previous Page
To Previous Page IconTo Previous Page
Loading...
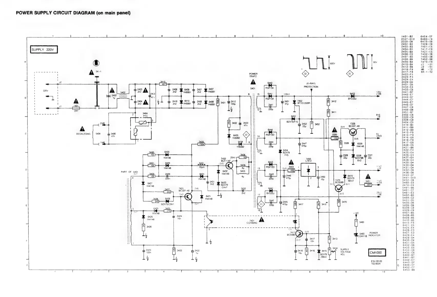
POWER
SUPPLY
CIRCUIT
DIAGRAM
(on
main
panel)
a
DEGAUSSING
5404
2406
47n
29
10¢
6427
1N4148
3428
KO
425
1N4148
6426
1N4148
4
2423
ly
POWER
TRAFO
2409
2n2
AGP15K
2410
~
2441
220p
6444
AGPISD
2aa4
220p
6430
1N4148
AGPISD
2429
2443
220n
220p
it
"
"
st
i
Bes37-40
J
HH
Ae
82
(>
ane
Hy,
|
eyoasy
cK)
6421
i
6428
1N4148
it
z
2442
HH
82x79/CQV1
NT
"
<2)
Ze
53
t
16
2424
15n
3422
2422
yp
©
(X-RAY)
PROTECTION
129V1
BYO34
>
2451
7452
[3]
3412
I
“7p
BT151/SO0R
|
aan
6452
ot
7328
ob
2328
A
3443
1
I
.
15v5
ch
2446
6470
470p
=
7470
82x79
acsses
|
_96V2
6v1
6v2
3470
3417
|
~
JM]
3413
SUPPLY
a
au
Pi
=
aig
3416
6415
|
VOLTAGE
iv
82x79
ADJ
/B6V2
ava
8C337-40
S,
;
+5V3
SV6
6329
1N4148
6328
cb
2327
B2X798
22p
6v2
11V7
+12
v5
M51
RA
2BV2
+28
12C
3460
POWER
Soe
g
INDICATOR
ESv.00120
T02/9024
1401-82
2327-D10
2328-09
2402-83
2403-83
2404-83
2405-84
2406-C3
2407-85
2408-85
2409-B4
2410-B4
2412-B6
2416-F8
2417-F8
2422-F5
2423-F3
2424-E4
2429-04
2431-05
2432-E6
2433-C6
2441-87
2442-E7
2443-07
2444-C7
2445-E7
2446-07
2447-CB8
2450-08
2451-B7
2452-C8
3320-C9
3328-C9
3404-C3
3410-84
3411-B9
3412-89
3413-F9
3414-F9
3415-E8
3416-F8
3417-E8
3420-C5
3421-B6
3422-F4
3425-E4
3426-E3
3427-E4
3428-E4
3429-D4
3430-D4
3431-D4
3432-C6
3436-06
3443-D7
3451-010
3452-CB
3460-E9
3470-E9
5401-B6
5401-C7
$401-E€3
$402-B83
5404-C2
5431-05
5435-D6
5436
-D6
6328-C9
6329-C9
6407-85
6408-85
6409-B5
6410-85
6415-F8
6421-E5
6425-€4
6426-E3
6427
-E3
6428-E4
6429-D4
6430-04
6431-05
6432
-D6
6433-E6
6434-C6
6435-C6
6440-87
6441-B7
6442-E7
6443-07
6444-C7
6452-C7
6453-B9
6454-07
6460-F9
6470-09
7328
7401
7417-FB
7421-ES
7432-06
7450-08
7452-68
7470-£9
Jt
-31
J20-01
M6
-C2
SK-1-82

Related product manuals