EasyManua.ls Logo

Concox GT06F - Device Wiring Diagrams

Concox GT06F
17 pages
Print Icon
To Next Page IconTo Next Page
To Next Page IconTo Next Page
To Previous Page IconTo Previous Page
To Previous Page IconTo Previous Page
Loading...
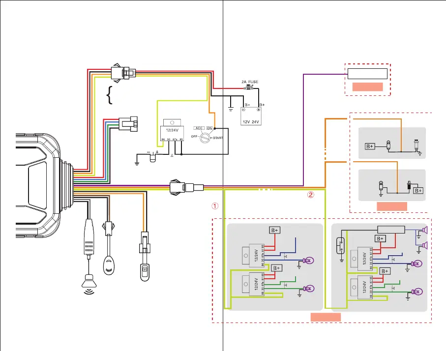
3.3 Device Wiring Way
MIC
Microphone
SOS
Extension
interface
Data
Power
Oil/electricity
ACC
Relay
Storage
battery
Speaker
Notice: Purple line (ADC) of terminal connects to analog signals line,
like voltage of external device, analog temperature sensor, fuel sensor.
Voltage detected by analog signal ranges from 0~30Vdc.
/
Oil pump
Ignition key
Connection
Outout control Connection
Analog signal
Diagram 1
Negative trigger
connection car type
Positive trigger
connection
car type
Door negative
trigger connection
Door light
Door positive
trigger connection
Door light
Diagram 2
Diagram 3
Relay 1
Relay 2
Car left signal wire
Left turn light
Car right signal wire
Right turn light
Connect to turn light
Car
horn
button
Relay 1
Relay 2
Car horn relay
Car left signal wire
Car right signal wire
Connect to car horn
and turn light
Door switch
Door switch
Left turn light
Right turn light

Related product manuals