EasyManua.ls Logo

Conti CC102 D - Hydraulic Schematic

Conti CC102 D
Print Icon
To Next Page IconTo Next Page
To Next Page IconTo Next Page
To Previous Page IconTo Previous Page
To Previous Page IconTo Previous Page
Loading...
Edition 07/2010 - CC100 DISPLAY
NOTES TECHNIQUES - TECHNICAL DOCUMENTS - page 21
SACOME, Document CONFIDENTIEL,
Ne peut être reproduit ni communiqué sans notre accord préalable.
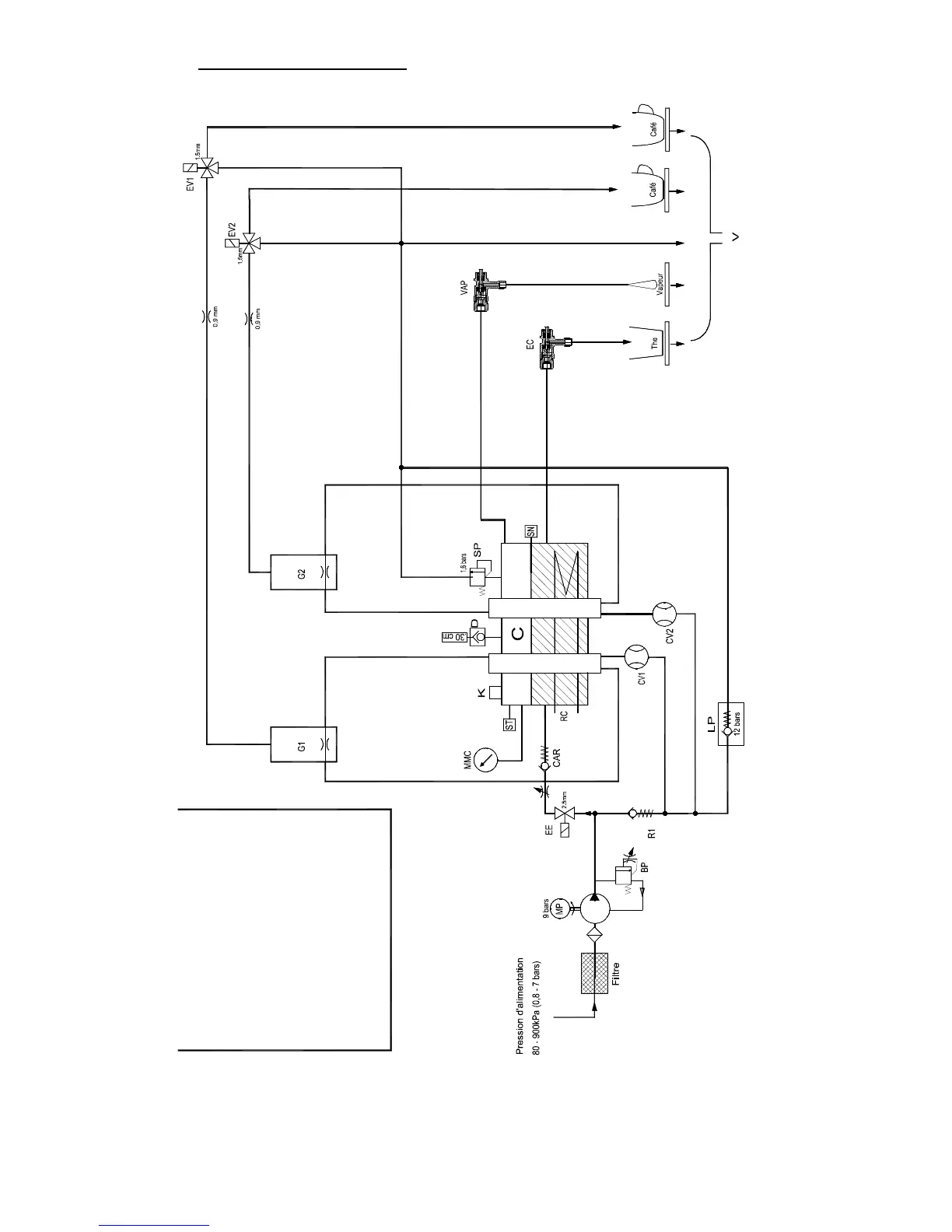
13. SCHEMA HYDRAULIQUE
Σ
Σ
SN Niveau eau chaude
EE Vanne alimentation d'eau
Soupape de sécurité
By Pass réglable
Sonde de température
Groupe café
Robinet vapeur
Vidange
VAP
BP
G
ST
SP
V
Limiteur de pression 12 bars
Manomètre chaudière
Pompe volumétrique
Thermpoplongeur chaudière
Klixon
Clapet Anti-retour
Dépresseur
Soupape de sécurité chaudière 1,6 bars
Chaudière
Vanne café
Robinet thé
Volucompteur de dosage
CAR
C
EC
EV
SP
D
RC
MP
LP
MCC
K
CV

Related product manuals