EasyManua.ls Logo

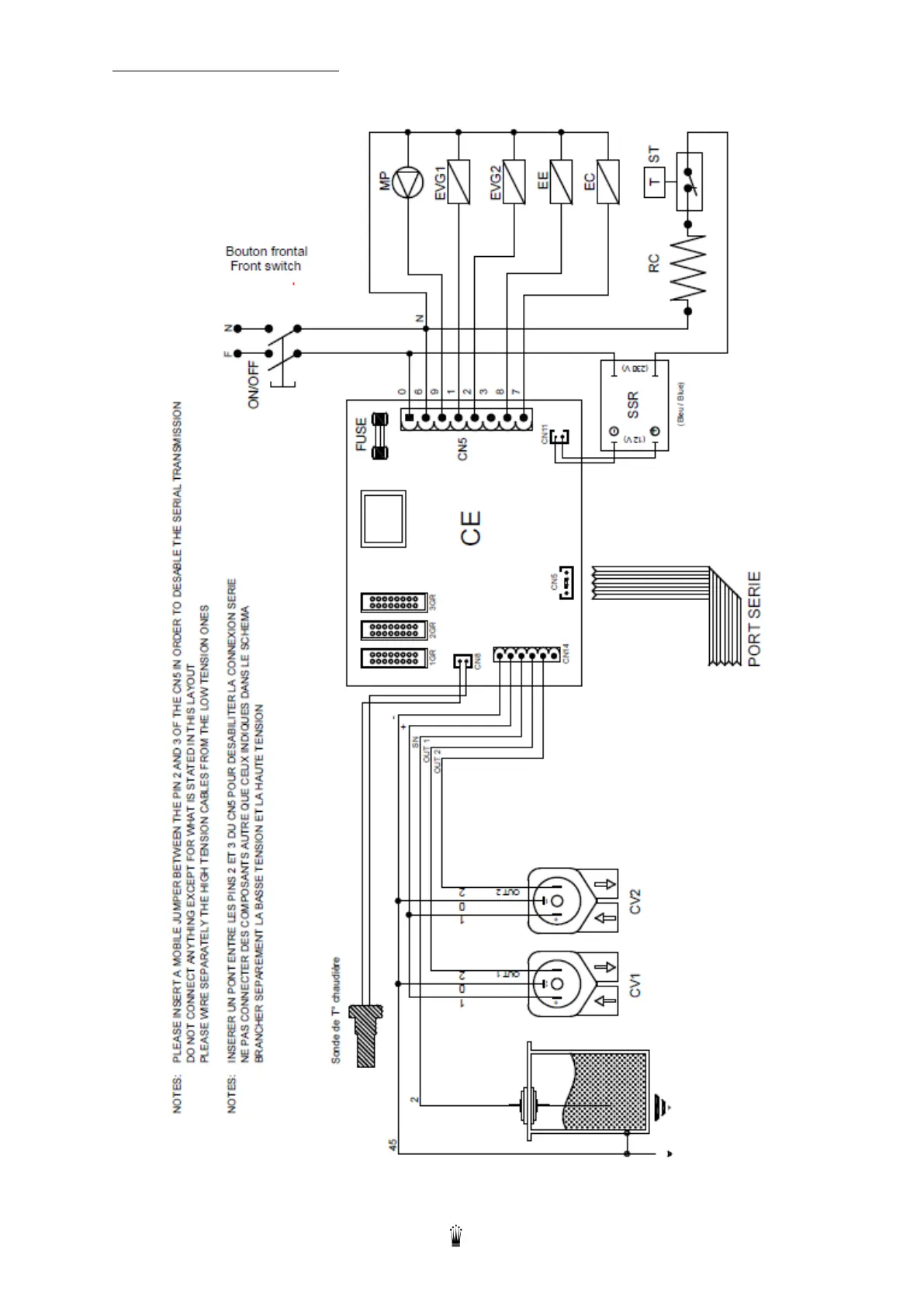
Conti CC200 D - ELECTRICAL HEATING CIRCUIT 230 V

Conti CC200 D
34 pages
Print Icon
To Next Page IconTo Next Page
To Next Page IconTo Next Page
To Previous Page IconTo Previous Page
To Previous Page IconTo Previous Page
Loading...
Edition 05/2021 CC200 D Notice technique page 27
SACOME, Document CONFIDENTIEL, Ne peut être reproduit ni communiqué sans notre accord préalable.
14.2. ELECTRICAL HEATING CIRCUIT
FOR CC100 2G (3300W) 230V 50/60HZ

Related product manuals