EasyManua.ls Logo

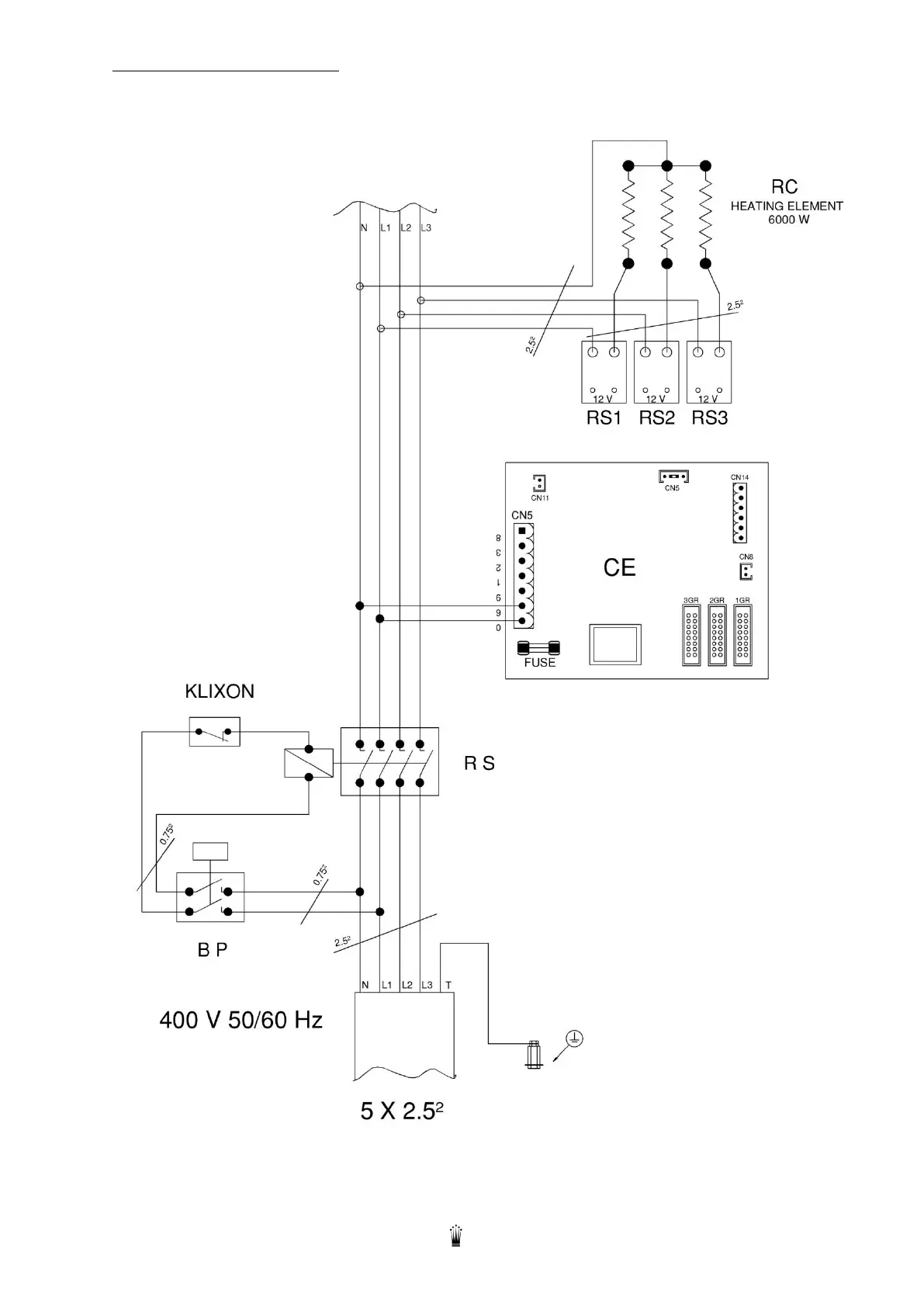
Conti CC200 D - ELECTRICAL HEATING CIRCUIT 400 V

Conti CC200 D
34 pages
Print Icon
To Next Page IconTo Next Page
To Next Page IconTo Next Page
To Previous Page IconTo Previous Page
To Previous Page IconTo Previous Page
Loading...
Edition 05/2021 CC200 D Notice technique page 29
SACOME, Document CONFIDENTIEL, Ne peut être reproduit ni communiqué sans notre accord préalable.
14.4. ELECTRICAL HEATING CIRCUIT
For CC100 3G (6000W) 400V 50/60Hz trifase

Related product manuals