EasyManua.ls Logo

Contrec 202D - Page 29

Contrec 202D
49 pages
Print Icon
To Next Page IconTo Next Page
To Next Page IconTo Next Page
To Previous Page IconTo Previous Page
To Previous Page IconTo Previous Page
Loading...
202D-M-V3.1
Versions
25
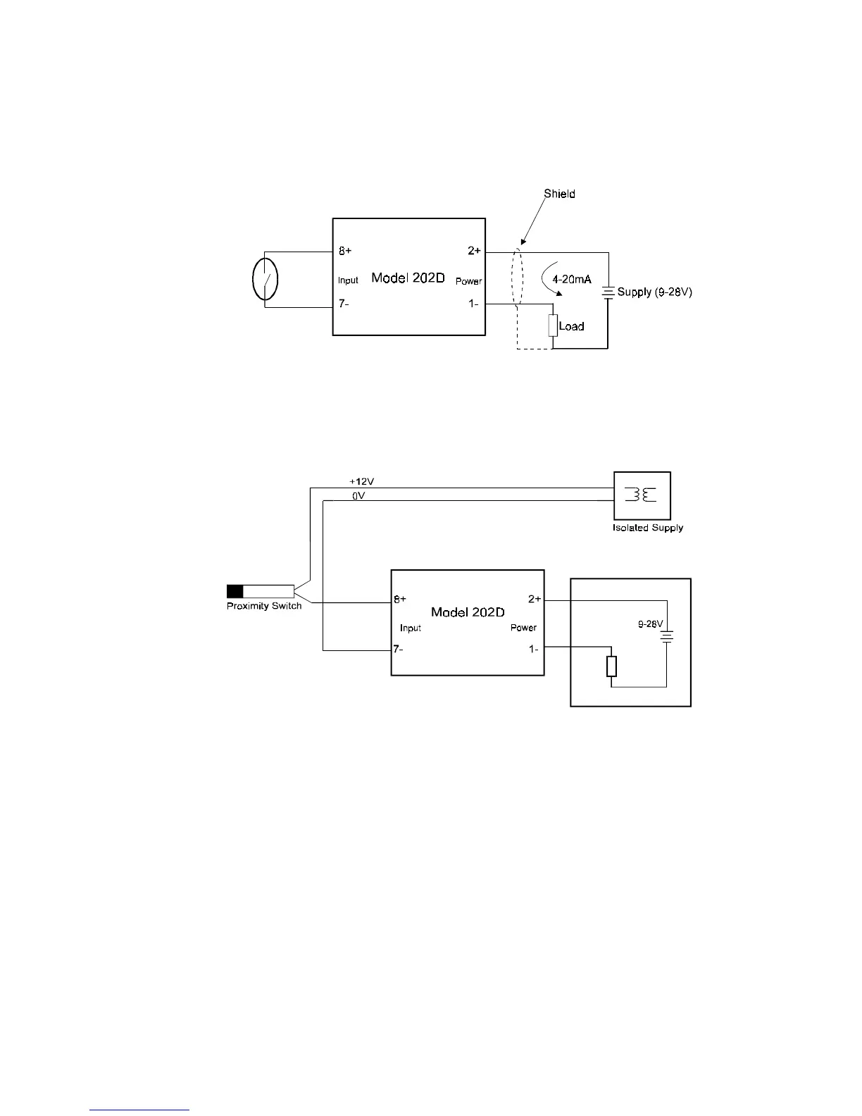
Typical Connection
Connection to a Sensor requiring External Power

Related product manuals