EasyManua.ls Logo

Contrec 202D - Page 41

Contrec 202D
49 pages
Print Icon
To Next Page IconTo Next Page
To Next Page IconTo Next Page
To Previous Page IconTo Previous Page
To Previous Page IconTo Previous Page
Loading...
202D-M-V3.1
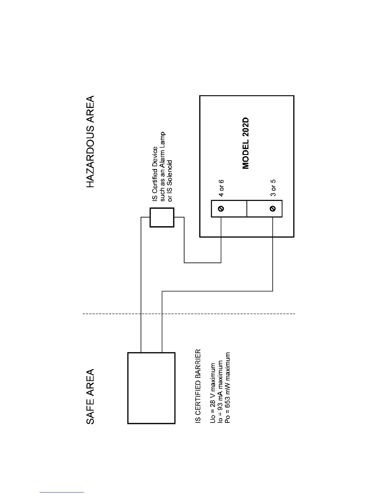
Intrinsic Safety Connections
37

Related product manuals