EasyManua.ls Logo

Cookshack FEC100 - Technical Diagrams; IQ4 Wiring Diagram

Default Icon
12 pages
Print Icon
To Next Page IconTo Next Page
To Next Page IconTo Next Page
To Previous Page IconTo Previous Page
To Previous Page IconTo Previous Page
Loading...
1.800.423.0698 www.cookshack.com info@cookshack.com
FAST EDDY MODEL FEC100 11 Ver. 06.1
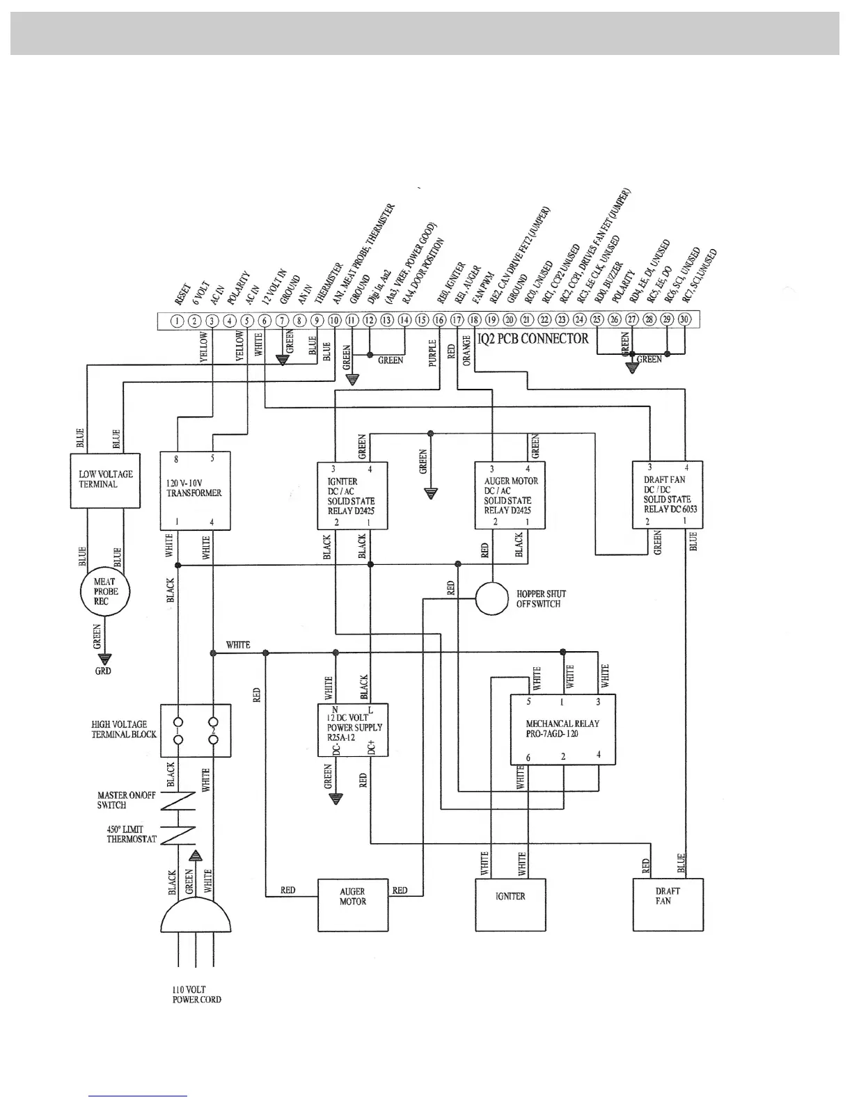
APPENDIX D
IQ4 Wiring Diagram

Related product manuals