EasyManua.ls Logo

Copley Controls Xenus PLUS - Page 16

Copley Controls Xenus PLUS
32 pages
Print Icon
To Next Page IconTo Next Page
To Next Page IconTo Next Page
To Previous Page IconTo Previous Page
To Previous Page IconTo Previous Page
Loading...
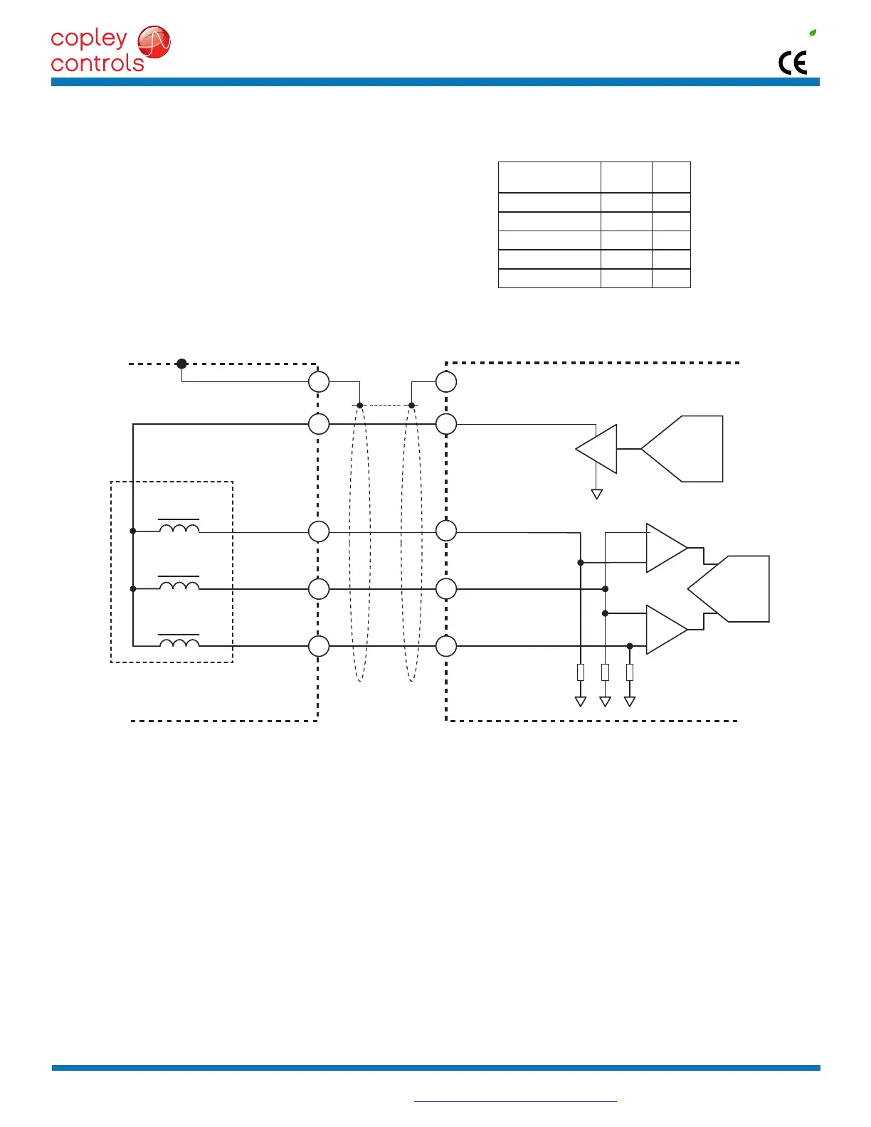
Signal
J10,J11
Pin
JST
Pin
RslvrIncA 18 1
RslvrIncB 19 6
RslvrIncC 20 11
Rslvr Common 23 2
FrameGnd 1 13
J10,J11 FEEDBACK
+
-
+
-
3X 10.0
A/D
Converter
D/A
Converter
Rslvr
Inc A
1
23
19
20
18
Resolver Common
Rslvr Rev(+) R1
Frame Ground
Frame Gnd (F.G.)
SSB Motor Resolver
JST Connector
Rslvr
Inc B
Rslvr
Inc C
Red/Wht
Green/Wht
Brown/Wht
White/Blk
Black/Wht
A
B
C
NSK VR Incremental
Resolver
+
-
2
13
1
6
11
Copley Controls, 20 Dan Road, Canton, MA 02021, USA Tel: 781-828-8090 Fax: 781-828-6547
Tech Support: E-mail: sales@copleycontrols.com, Web: http://www.copleycontrols.com Page 16 of 32
RoHS
Xenus
PLUS
2-Axis
EtherCAT
800-1782
SSBMOTORFEEDBACKCONNECTIONS
SSBMOTORINCREMENTALVRRESOLVER
Connectionstotheresolvershouldbemadewithshieldedcable.Once
connected, resolver set up, motor phasing, and other commissioning
adjustments are made with CME 2 software. There are no hardware
adjustments.
SSBRESOLVERSIGNALSANDPINS

Related product manuals