EasyManua.ls Logo

Cormach MEC 10 - 11 Wiring Diagram

Default Icon
39 pages
Print Icon
To Next Page IconTo Next Page
To Next Page IconTo Next Page
To Previous Page IconTo Previous Page
To Previous Page IconTo Previous Page
Loading...
Technical Support Manual 05/2018 Rel. 2.1.3 Page 35
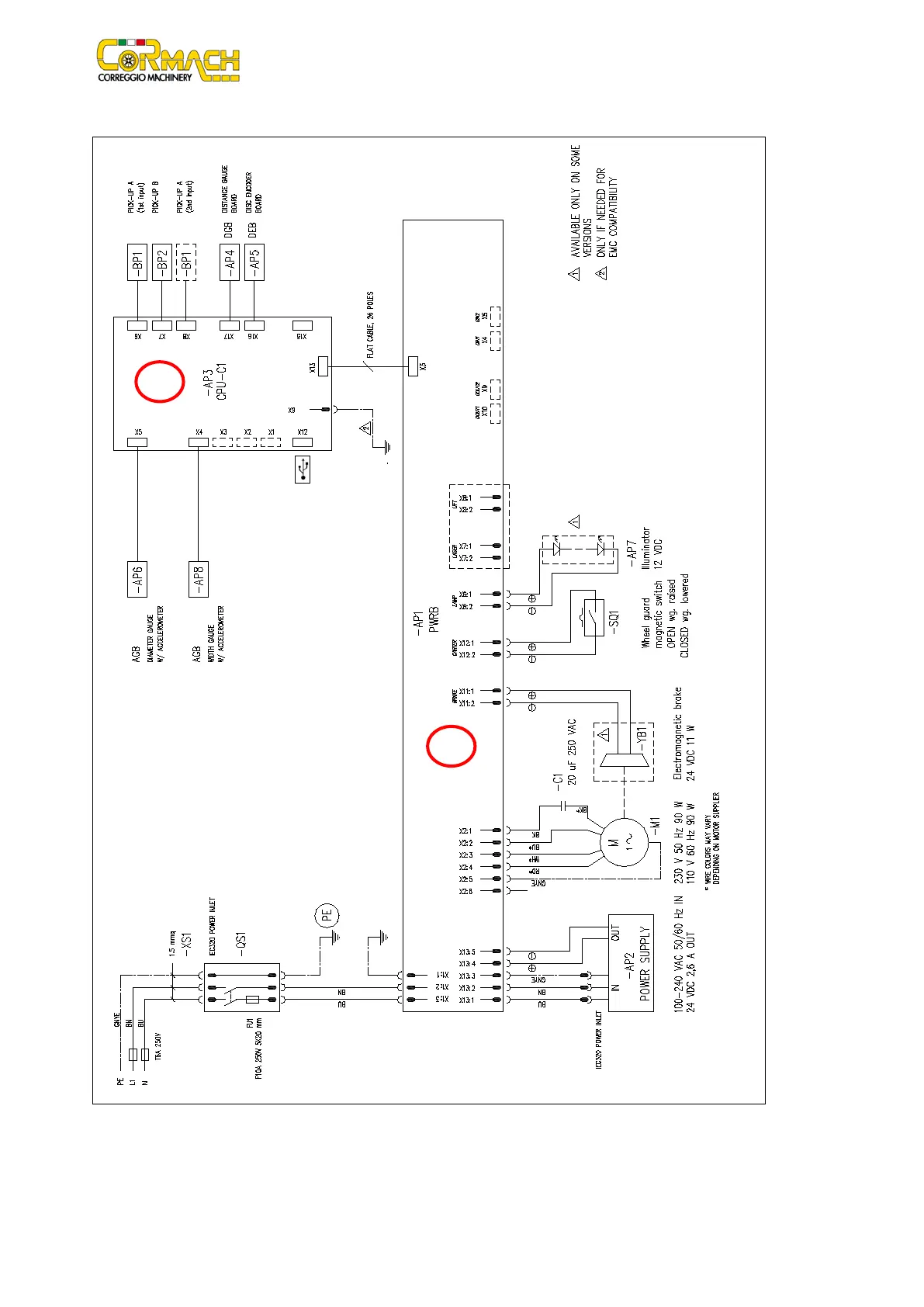
11. WIRING DIAGRAM
It is possible to order the following codes:
1 – Cod. 21201028: CPU C1C.X BOARD
2 – Cod. 21201019: PWRB2X POWER SUPPLY BOARD
1
2

Table of Contents

Related product manuals