EasyManua.ls Logo

Cornelius 322 - Refrigeration and Water System Model Wc322

Cornelius 322
32 pages
Print Icon
To Next Page IconTo Next Page
To Next Page IconTo Next Page
To Previous Page IconTo Previous Page
To Previous Page IconTo Previous Page
Loading...
166240008
13
3/17/95
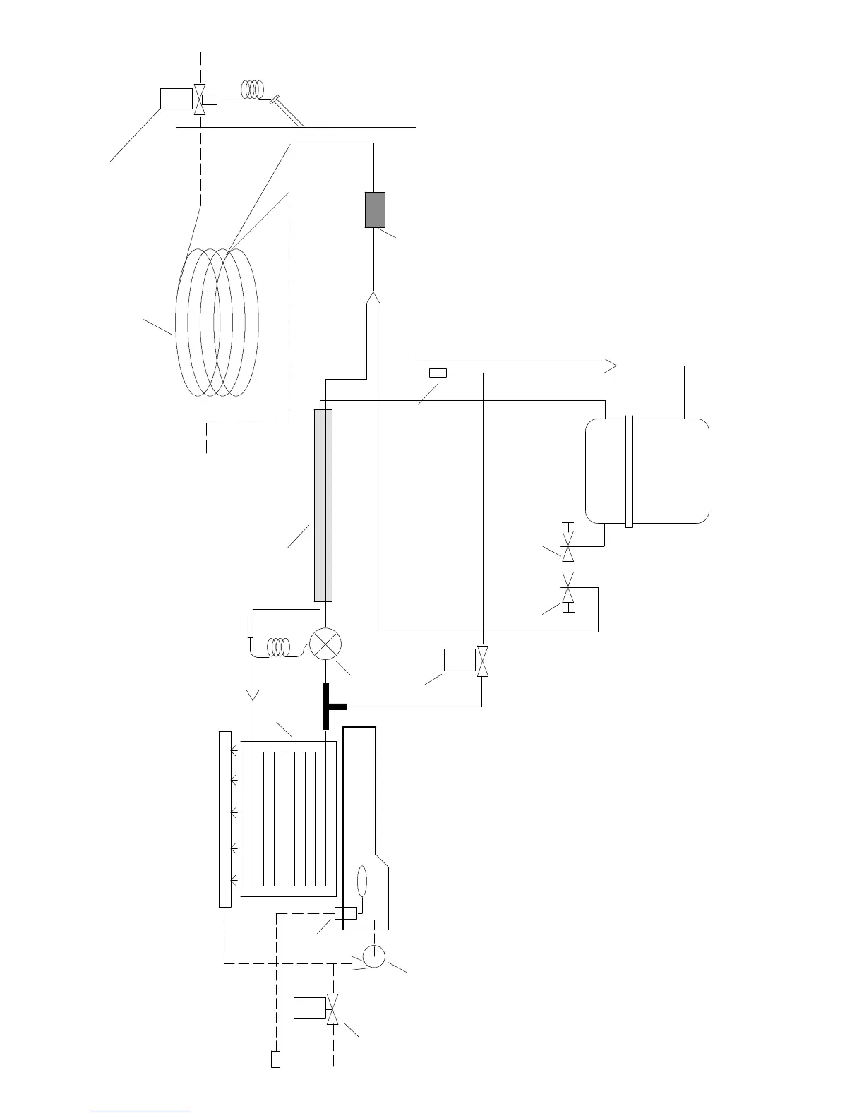
WATER-COOLED CONDENSER
WATER REGULATING
VALVE
WATER INLET
FILTER/DRIER
PRESSURE SWITCH
COMPRESSOR
HIGH SIDE
SERVICE
VALVE
LOW SIDE
SERVICE
VALVE
HEAT EXCHANGER
EVAPORATOR
THERMOSTATIC
EXPANSION VALVE
HOT GAS
SOLENOID
VALVE
WATER
FLOAT
VALVE
WATER
DUMP VALVE
WATER PUMP
S
REFRIGERATION AND WATER SYSTEMS
MODELS WC322
S

Table of Contents

Related product manuals