EasyManua.ls Logo

Cortalk uDL1 - Figure 19 Data Preview Charts Selection; Figure 20 Sample Data Preview Chart

Cortalk uDL1
26 pages
Print Icon
To Next Page IconTo Next Page
To Next Page IconTo Next Page
To Previous Page IconTo Previous Page
To Previous Page IconTo Previous Page
Loading...
MOBILTEX® DATA LTD.
Calgary, Alberta
www.corTalk.com
TITLE: uDL1 Configuration and Operation Guide
DOCUMENT NO.:
UDL1-MAN-001
SHEET:
19 of 26
REV:
1.07
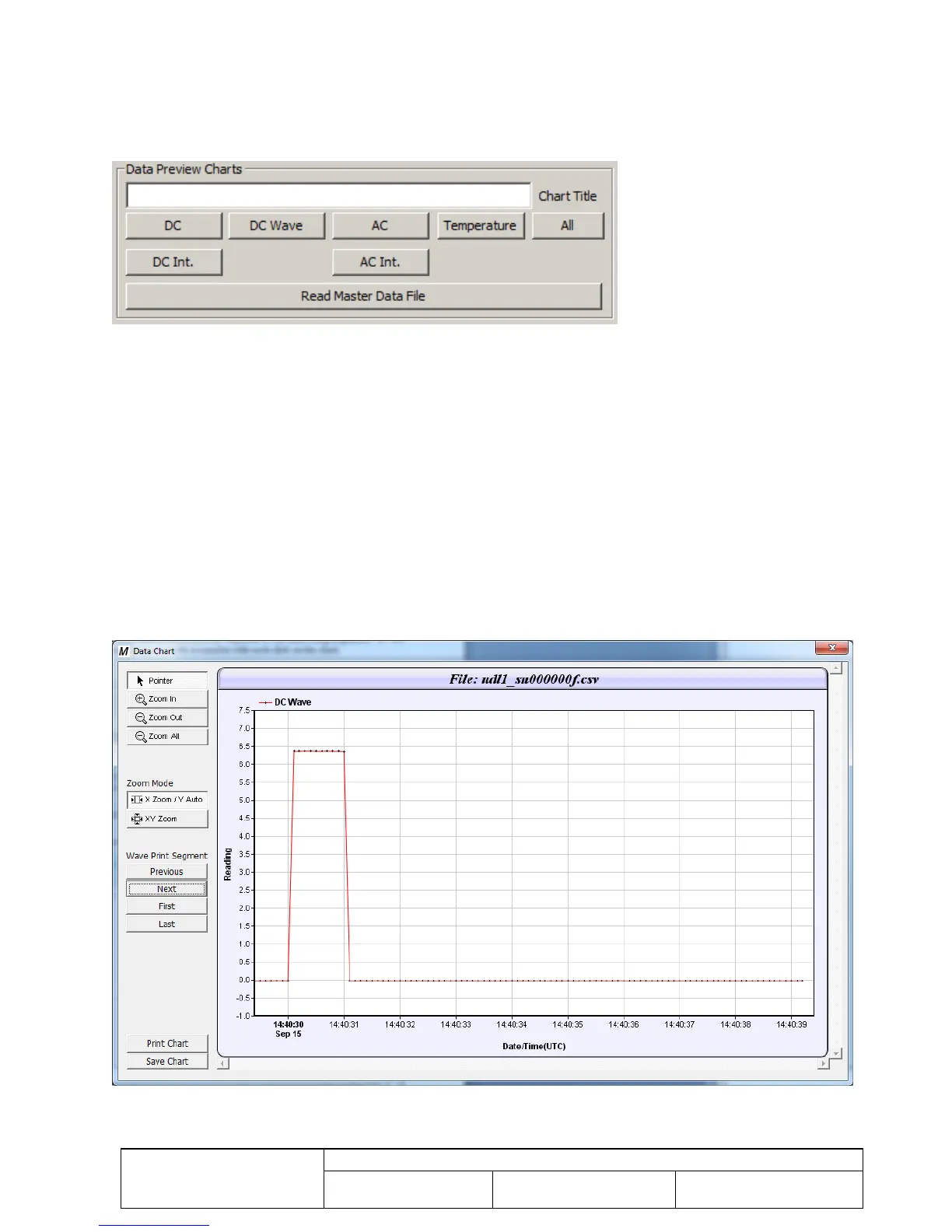
Once the data has been extracted, it may be previewed in a chart. Under the “Data Preview Charts” grouping, click the
“DC”, “DC Wave”, “AC”, or “Temperature” buttons to bring up a zoom-able chart of the associated data. For units
capable of interruption tracking, the ‘DC Int.’ and ‘AC Int.’ charts may also be displayed. Note that this function is
intended to provide quick previews of captured measurement data and not intended as a data analysis tool. The PC mouse
can be used to hover over the graph to display the actual values associated with that measurement point. Detailed data
analysis will need to be done using a third party tool such as Excel or specialized data analysis program.
Figure 19 Data Preview Charts Selection
The current chart display may be zoomed in by selecting the “Zoom In” button and then clicking on the chart. Each
click zooms the chart in further. The zoom-in mode may be changed between “X Zoom/Y Auto” and “XY Zoom”. If
“X Zoom/Y Auto” mode is selected, the Y-axis scale is automatically adjusted to the data being displayed. If “XY
Zoom” mode is selected, then both the X and Y-axes are both zoomed in with each click on the chart.
To zoom out, select the “Zoom Out” button and click on the chart. Again, each click zooms out the chart further. If a
view of the entire data set is desired, click on the “Zoom All” button.
When viewing DC Wave capture segments, the currently displayed data segment may be selected by clicking the
‘Previous’, ‘Next’, ‘First’ or ‘Last’ buttons under the ‘Wave Print Segment’ area. These buttons do not appear for other
preview chart types.
The current chart view may be saved to a file. Click the “Save Chart” button to save a bitmap of the chart. The bitmap
may be saved in JPEG, BMP, WBMP, PNG, GIF, SVG or SVGZ formats by selecting the appropriate type in the save
file dialog.
The current chart view may also be printed by clicking the “Print Chart” button.
Figure 20 Sample Data Preview Chart

Table of Contents