EasyManua.ls Logo

Cotek SK Series - AC Safety Grounding

Cotek SK Series
30 pages
Print Icon
To Next Page IconTo Next Page
To Next Page IconTo Next Page
To Previous Page IconTo Previous Page
To Previous Page IconTo Previous Page
Loading...
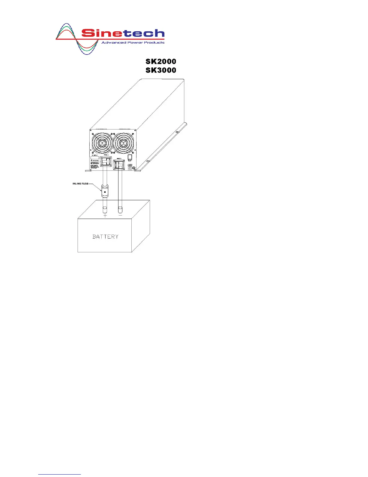
3-6. AC Safety Grounding
The AC output ground wire should go to the grounding point for your
loads ( for example, a distribution panel ground bus ).
3-6-1. Neutral Grounding (GFCI’S)
3-6-1-1. 120V modelsThe neutral conductor of the AC
output circuit of the Inverter is automatically connected to the
safety ground during inverter operation. In accordance with
the National Electrical Code requirements that separately
derived AC sources (such as inverter and generators) have
their neutral conductors tied to ground in the same way that
the neutral conductor from the utility is tied to ground at the AC
breaker panel. For models configured with a transfer relay,
while AC utility power is presenting and the Inverter is in
bypass mode, this connection (neutral of the Inverter’s AC
output to input safety ground) is not present so that the utility
neutral is only connected to ground at your breaker panel,
as required.

Related product manuals