EasyManua.ls Logo

Craftsman 917.270821 - Mower Deck Parts List

Craftsman 917.270821
60 pages
Print Icon
To Next Page IconTo Next Page
To Next Page IconTo Next Page
To Previous Page IconTo Previous Page
To Previous Page IconTo Previous Page
Loading...
TRACTOR - - MODEL NUMBEH 917.,?.7OU21
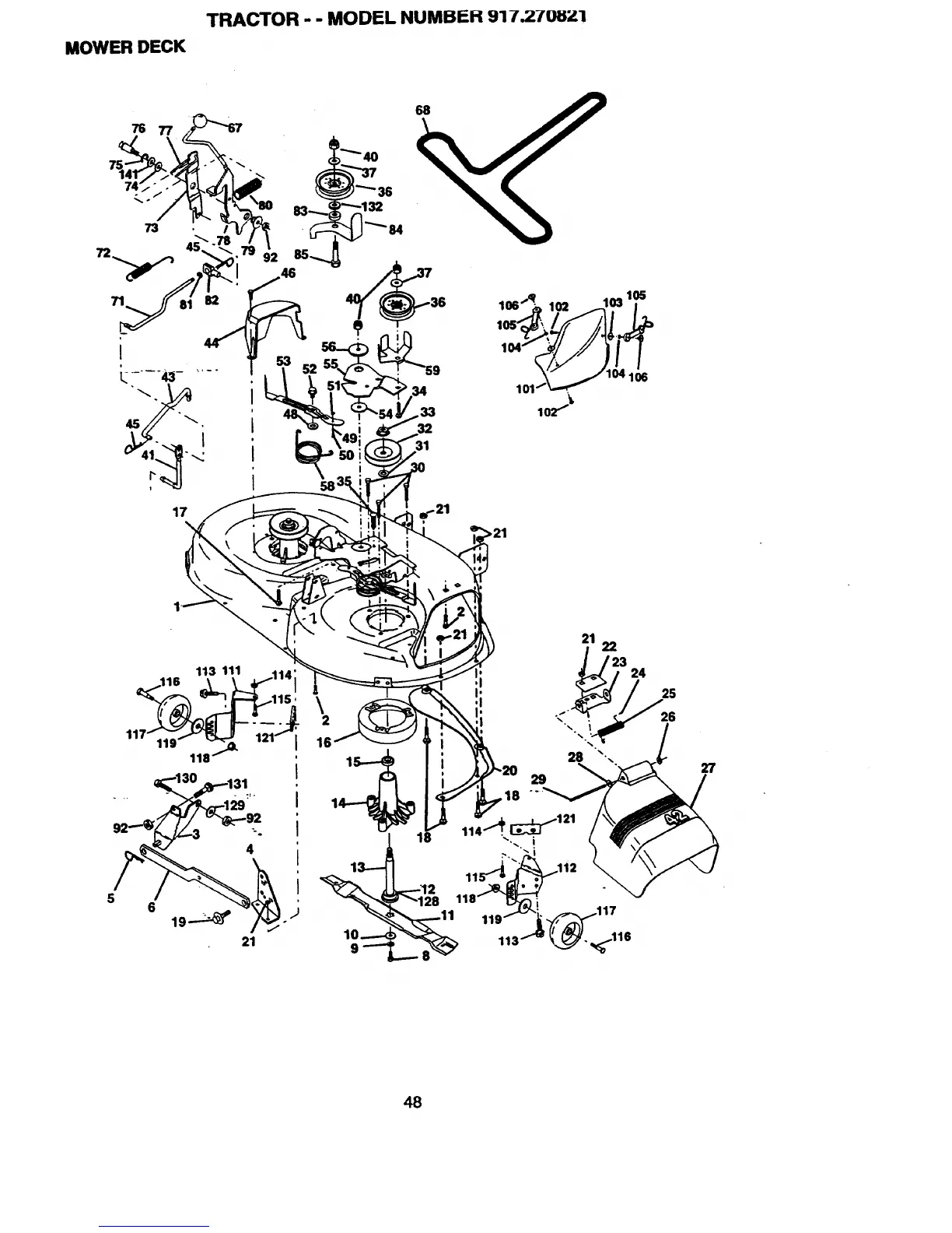
MOWER DECK
17
58
68
36
33
31
lol
105
103
106
\
2
16
3 24
25
29
18
48

Table of Contents

Related product manuals