EasyManua.ls Logo

Craftsman 917.273821 - Engine

Craftsman 917.273821
56 pages
Print Icon
To Next Page IconTo Next Page
To Next Page IconTo Next Page
To Previous Page IconTo Previous Page
To Previous Page IconTo Previous Page
Loading...
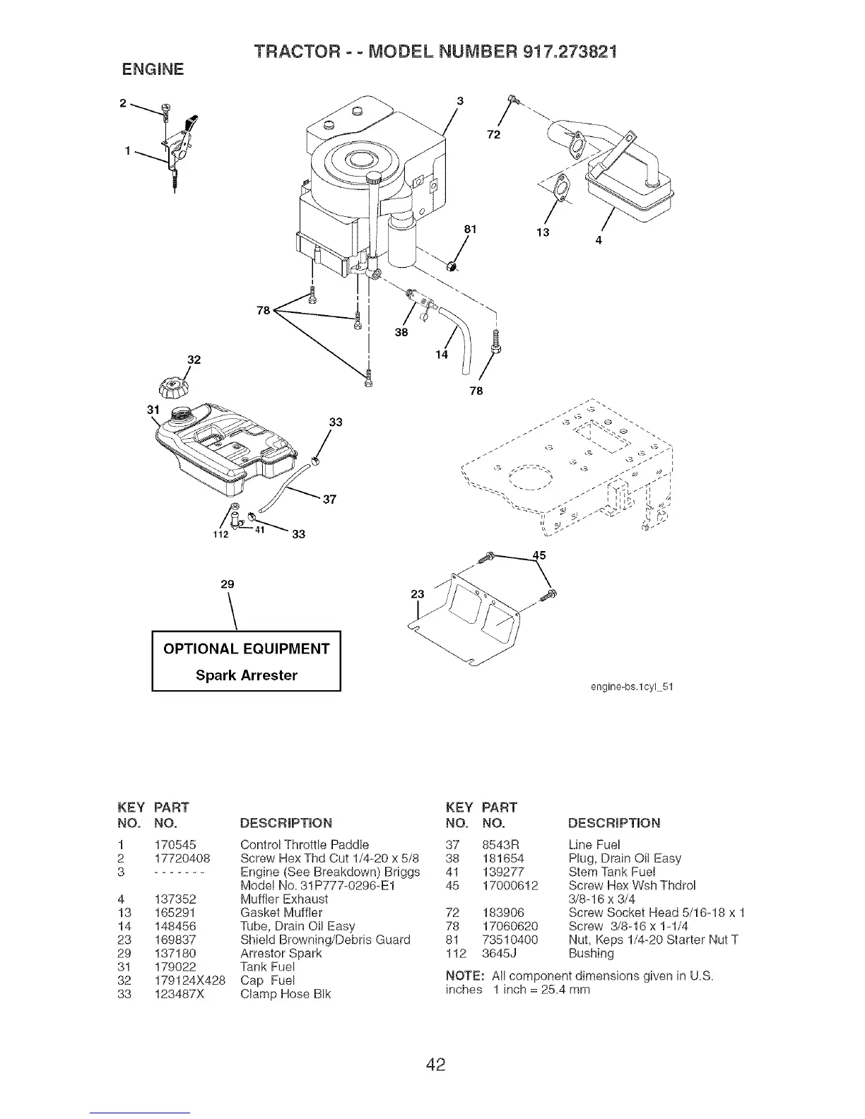
ENGINE
TRACTOR - - MODEL NUMBER 917.273821
33
112 33
29
\
I OPTIONAL EQUIPMENT I
Spark Arrester
38
81
14
23
3
72
?
13
4
i
J
78
engine-bs.lcyl 51
KEY PART KEY PART
NO. NO. DESCRIPTION NO. NO.
1 170545 Control Throttle Paddle 37 8543R
2 17720408 Screw Hex Thd Cut 1/4-20 x 5/8 38 181654
3 Engine (See Breakdown) Briggs 41 139277
Model No, 31P777-0296-E1 45 17000612
4 137352 Muffler Exhaust
13 165291 Gasket Muffler 72 183906
14 148456 Tube, Drain Oil Easy 78 17060620
23 169837 Shield Browning/Debris Guard 81 73510400
29 137180 Arrestor Spark 112 3645J
31 179022 Tank Fuel
32 179124X428 Cap Fuel
33 123487X Clamp Hose B[k
DESCRIPTION
Line Fuel
Plug, Drain Oil Easy
Stem Tank FueI
Screw Hex Wsh Thdrol
3/8-16 x 3/4
Screw Socket Head 5/16-18 x 1
Screw 3/8-16 x 1-1/4
Nut, Keps 1/4-20 Starter Nut T
Bushing
NOTE: All component dimensions given in U,S,
inches 1 inch = 25,4 mm
42

Table of Contents

Related product manuals