EasyManua.ls Logo

Craftsman 917.273821 - Mower Deck

Craftsman 917.273821
56 pages
Print Icon
To Next Page IconTo Next Page
To Next Page IconTo Next Page
To Previous Page IconTo Previous Page
To Previous Page IconTo Previous Page
Loading...
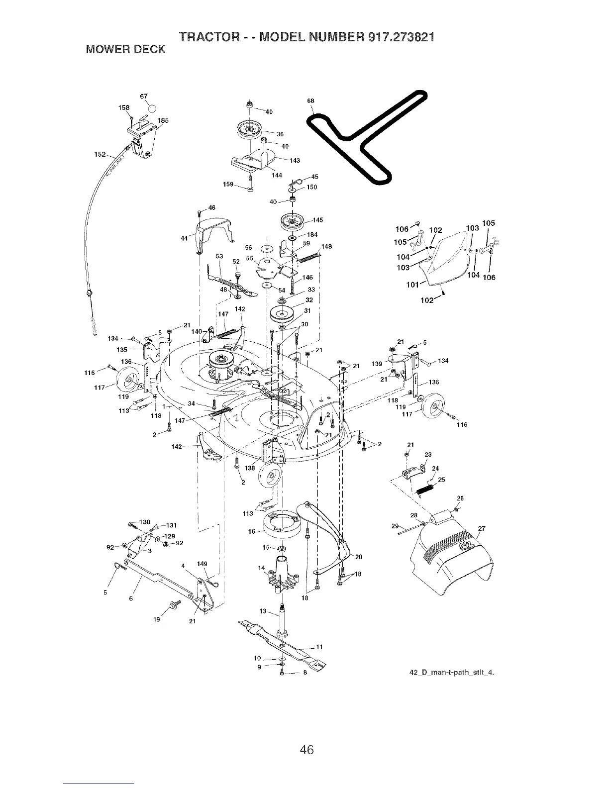
TRACTOR o o MODEL NUMBER 917.273821
MOWER DECK
67
,58_ _-4o
85 _, _ 36
_ 144 45
40 _J_
119
2
5
6
f
19
i 142
1147
148
105"
lOl
'i
102 t
103 105
/
106
18
i!
i!
i!
i!
21 ,_o_5
42 D man-t-path stlt 4.
46

Table of Contents

Related product manuals