EasyManua.ls Logo

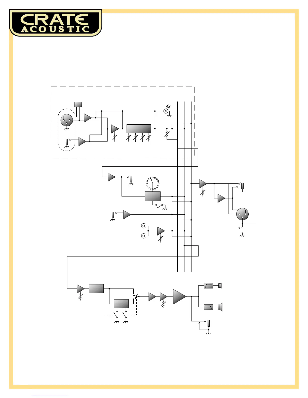
Crate CA6110D - System Block Diagram

Crate CA6110D
8 pages
Print Icon
To Next Page IconTo Next Page
To Next Page IconTo Next Page
To Previous Page IconTo Previous Page
To Previous Page IconTo Previous Page
Loading...
CA6110D Acoustic Amplifier
7
Channels 1 and 2:
input
low-z
hi-z
low mid cntr
peak
effects
master
line out
high
DSP/eff
send
phantom
power
tones
gain
effects
send
aux in/
eff ret
foot
switch
DSP
mode
gain
cd
input
low-z
bal
gnd
lift
high-z
bal
line out
level
external
speaker
level
foot
switch*
*NOTE: Feedback circuit activated when footswitch plug is inserted into Feedback Filters Footswitch jack
filter
1
filter
2
feedback
filters
on/off*
limiter
feedback
circuit
tweeter
cut
power
amp
high pass
hi-freq
driver
low-freq
driver
low pass
System Block Diagram:

Other manuals for Crate CA6110D

Related product manuals