EasyManua.ls Logo

Crate KX-220 - System Block Diagram

Crate KX-220
8 pages
Print Icon
To Next Page IconTo Next Page
To Next Page IconTo Next Page
To Previous Page IconTo Previous Page
To Previous Page IconTo Previous Page
Loading...
7
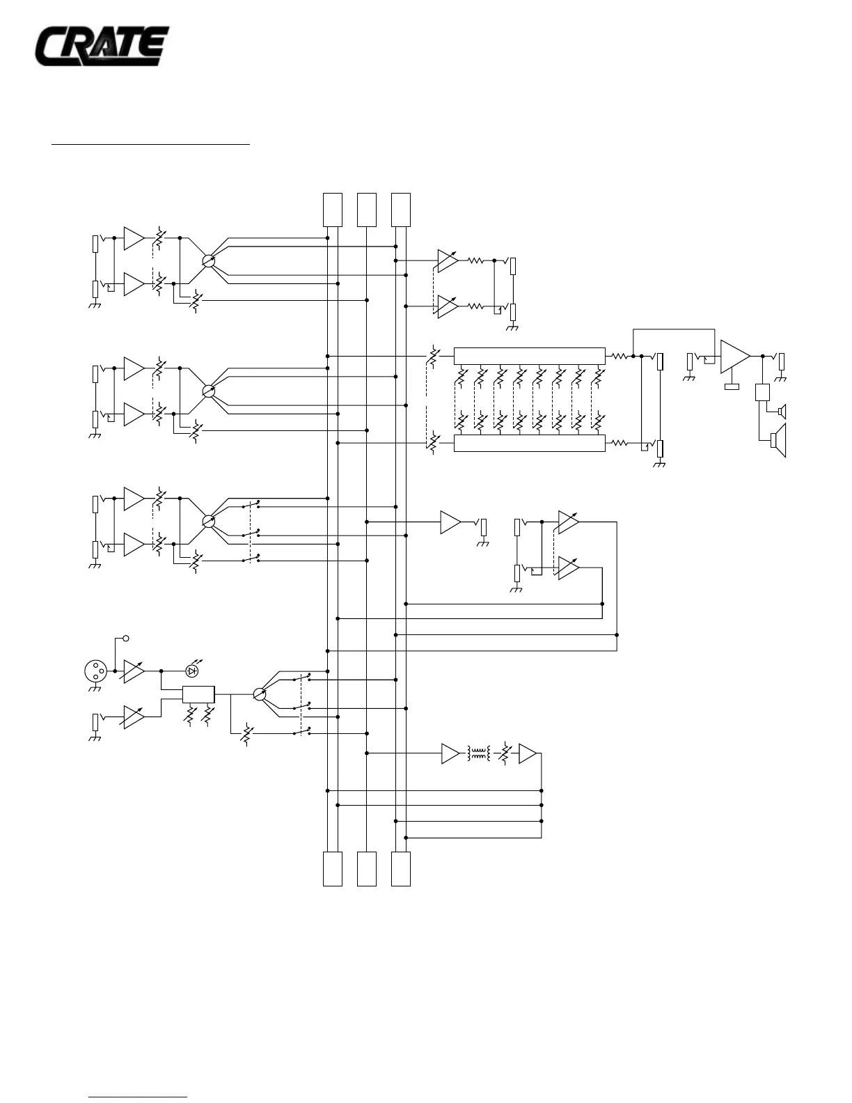
System Block Diagram:
RIGHT/MONO
INPUT
REV/EFF
SEND
LEFT
INPUT
LEVEL
PAN
MAIN
BUS
REV/
EFF
SEND
BUS
RL
LINE
OUT
BUS
RL
MAIN
BUS
REV/
EFF
SEND
BUS
RL
LINE
OUT
BUS
RL
LINE OUT
RIGHT/MONO
LINE OUT
LEFT
LINE OUT
LEVEL
PREAMP OUT
RIGHT/MONO
POWER
AMP IN
POWER
AMP
CROSSOVER
LIMITER
PREAMP OUT
LEFT
EXTERNAL
SPEAKER
RIGHT/MONO
INPUT
REV/EFF
SEND
LEFT
INPUT
LEVEL
PAN
RIGHT/MONO
INPUT
REV/EFF
SEND
LEFT
INPUT
LEVEL
LOW HIGH
LINEOUT
SELECT
PAN
LINE OUT
SELECT
REVERB
REVERB
RETURN LEVEL
LOW-Z
MIC
INPUT
REV/EFF
SEND
HIGH-Z
INPUT
PAN
EFF
SEND
EFF RET
RIGHT/MONO
EFF RET
LEFT
EQ
+16V PHANTOM POWER
PEAK LED
GAIN
GAIN
MASTER
RIGHT CHANNEL EQUALIZER
LEFT CHANNEL EQUALIZER
EFF RETURN
LEVEL
KX-220 Stereo Keyboard Amplifier

Related product manuals