EasyManua.ls Logo

Creative Live 5.1 - Before You Start; Audio Card Connector Identification

Creative Live 5.1
154 pages
Print Icon
To Next Page IconTo Next Page
To Next Page IconTo Next Page
To Previous Page IconTo Previous Page
To Previous Page IconTo Previous Page
Loading...
2 SB Live! Player 5.1
Before You Start
Open the SB Live! Player 5.1 installation pack and verify that you
have received all items on the packaging list. If any of these items are
missing or damaged, contact the dealer from whom you purchased
your SB Live! Player 5.1 installation pack.
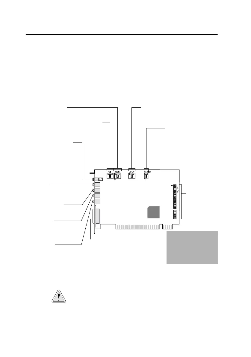
Identifying Connectors on your Audio Card
:
Static electricity can damage sensitive electronic components.
Discharge your bodys static electric charge by touching a
grounded surface, for example, the metal plate of your
computer chassis, prior to installing the SB Live! Player 5.1
audio card.
CD Audio connector
Connects to the Analog Audio output on a CD-ROM
or DVD-ROM drive using a CD audio cable.
Joystick/MIDI connector
Connects to a joystick or a MIDI device.
You can buy an optional MIDI kit that
allows you to plug in the joystick and
MIDI device simultaneously.
Line In jack
Connects to an external device
(such as a cassette, DAT, or
MiniDisc player).
Microphone In jack
Connects to an external
microphone for voice input.
Rear Out jack
Connects to powered speakers
or an external amplifier for
audio output.
Line Out jack
Connects to powered speakers
or an external amplifier for
audio output. Also supports
headphones.
Telephone Answering Device connector
Provides a mono connection from a
standard voice modem, and transmits
microphone signals to the modem.
AUX connector
Connects to internal audio sources such as
TV Tuner, MPEG, or other similar cards.
Audio Extension
(Digital I/O)
connector
Connects to the
Digital I/O card or
Drive Bay
(available
separately).
Warning:
This is not
an IDE interface. Do
not
connect to your
IDE devices.
CD SPDIF connector
Connects to the SPDIF
(Digital Audio) output (where
available) on a CD-ROM or
DVD-ROM drive.
Analog/Digital Out jack
6-channel or compressed AC-3
SPDIF output for connection to
external digital devices or digital
speaker systems.
Also supports centre and
subwoofer analog channels for
connection to 5.1 analog speaker
systems.
Jacks and connectors on the SB Live! Player 5.1 card.

Table of Contents

Related product manuals