EasyManua.ls Logo

Creative Live 5.1 - Innan du Sätter Igång; Identifiera Ljudkortets Kontakter

Creative Live 5.1
154 pages
Print Icon
To Next Page IconTo Next Page
To Next Page IconTo Next Page
To Previous Page IconTo Previous Page
To Previous Page IconTo Previous Page
Loading...
74 SB Live! Player 5.1
Innan du sätter igång
Öppna installationspaketet till SB Live! Player 5.1 och kontrollera att
allt finns med. Kontakta inköpsstället för SBLive!Player5.1 om
några delar fattas eller är skadade.
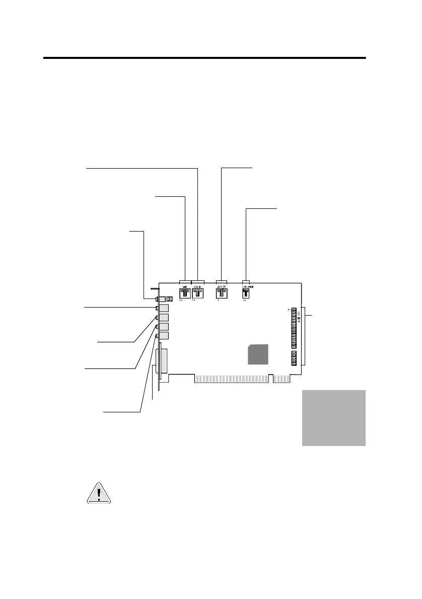
Identifiera ljudkortets kontakter
Statisk elektricitet kan skada ömtåliga elektroniska
komponenter. Ladda ur dig genom att vidröra en jordad yta,
t.ex. metallplattan på datorns kåpa eller ett element, innan du
installerar ljudkortet SB Live! Player 5.1.
CD-ljudport
Ansluts till den analoga ljudutgången på en
CD- eller DVD-enhet med en CD-ljudkabel.
Joystick/MIDI-port
Här kan du koppla in en joystick eller en
MIDI-enhet. Du kan också köpa till en
MIDI-omkopplare så att du kan koppla in
joysticken och MIDI-enheten samtidigt.
Linjeingång
Ansluts till en extern enhet
(t.ex. en kassett-, DAT- eller
MiniDiscspelare).
Mikrofoningång
Här kan du ansluta en extern
mikrofon för röstinspelning.
Bakre linjeutgång
Här kan du koppla in högtalare
med inbyggd förstärkare eller en
vanlig förstärkare för externt ljud.
Linjeutgång
Här kan du koppla in högtalare med
inbyggd förstärkare eller en vanlig
förstärkare för externt ljud. Du
kan även koppla in hörlurar.
Anslutningsport för telefonsvarare
Ger monoanslutning från ett
standardröstmodem och sänder
mikrofonsignaler till modemet.
AUX-port
Här kan du ansluta interna ljudkällor,
t.ex. TV-mottagare, MPEG-kort eller
liknande.
Audio Extension
(Digital I/O)-port
Ansluts till optiskt
digitalt I/O-kort
eller enhetsfack
(kan köpas
separat).
Varn in g:
Det
här är inte ett
IDE-gränssnitt.
Anslut
inte
till
IDE-enheter.
CD SPDIF-port
Ansluts till SPDIF (Digital
Audio)-utgång (om en sådan
finns) på en CD- eller
DVD-enhet.
Analogt/digitalt utjack
6-kanals eller komprimerad AC-3
SPDIF-utgång för anslutning av
externa digitala enheter eller
digitala högtalarsystem.
Stöder också analoga kanaler för
center och subwoofer för
anslutning till 5.1 analoga
högtalarsystem.
Kontakter och anslutning på SB Live! Player 5.1 kortet.

Table of Contents

Related product manuals