EasyManua.ls Logo

Crown Contractor Series - Principles of Operation; CH1, CH2, CL1 and CL2 Signal Path

Crown Contractor Series
44 pages
Print Icon
To Next Page IconTo Next Page
To Next Page IconTo Next Page
To Previous Page IconTo Previous Page
To Previous Page IconTo Previous Page
Loading...
Page 22
Contractor Series Power Amplifiers
Reference Manual
ered power and the transformers rated voltage. This
scale also identifies the proper transformer tap to use
when a particular constant voltage rating is not provided
with the transformer (such as 25, 35, 50, 70, 100 or 140
volts). Other scales include line loss, parallel resistance,
dB-SPL vs. distance and dB-SPL vs. power. To obtain a
constant voltage computer, call Crown and ask for lit-
erature.
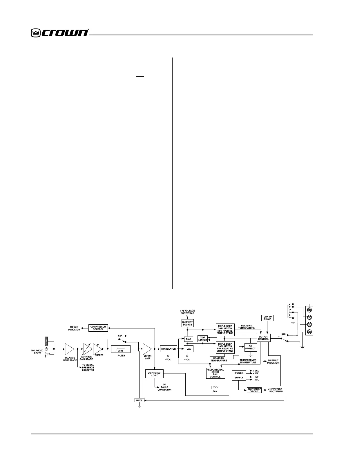
6 Principles of Operation
6.1 CH1, CH2, CL1 and CL2
For the sake of simplicity, only channel one of the ampli-
fier is described.
Signal is presented to the Contractor Series amplifier
through one of three connectors when using the stan-
dard input module. Each channel is outfitted with a bal-
anced XLR / phone jack, and a barrier strip. These
connectors are wired in parallel, which allows daisy
chaining when needed. The signal is then converted
from balanced to unbalanced in the Balanced Input
Stage where it also receives RFI protection. Signal then
flows into the Variable Gain Stage where the rear-panel
level controls are allowed to affect the gain.
Following this stage, the signal is put under the control
of a full-time compressor circuit comprised of a sym-
metrical window detector, a buffer amplifier, and the
gating op amp which uses several small components
to set the compressors attack and decay characteris-
tics. The actual compressing is accomplished by an
opto-isolator which affects the gain in the signal path.
The signal then travels either through the HP filter mod-
ule or is bypassed around it depending on the position
of the channel operation switch. In the CH1 and CH2,
with the switch set in the 70V/100V position, the filter is
enabled. The filter is an 18 dB-per-octave high-pass
with a 3 dB rolloff at 70 Hz. This provides a measure of
protection to step-down transformers used in distrib-
uted speakers installations. With the switch set in the 4/
8 Ohm setting, the filter is bypassed.
The signal next enters the main amplifier error amp
where it is mixed with a small portion of the output sig-
nal in such a way as to control the amplifiers overall
output performance.
Following the error amp is the LVA stage, where the low-
voltage referenced signal gets translated to the output
high-voltage rails. The last voltage amplifier, in conjunc-
tion with a bootstrap current source, drives both
predrivers and the bias servo. The bias servo is
mounted in such a way as to translate the output
heatsink temperature into a controlled bias current to
prevent thermal runaway and hold the amplifiers notch
distortion to a minimum.
The predrivers provide enough signal to activate the
drivers, which together operate in the class AB range.
For the major output current requirements, the drivers
feed the various numbers of paralleled output transis-
tors which operate in a class B mode. This is referred to
as the Triple-Deep Darlington Output Stages.
The output transistors are protected by the Time De-
pendent Voltage & Current circuit. This circuit protects
the devices from extending beyond their safe area of
Figure 6.1 CH1 & CH2 Circuit Block Diagram

Table of Contents

Related product manuals