EasyManua.ls Logo

Crystal Clean 2740 - Electrical Instructions and Diagram; Electrical Diagram and Installation Note

Default Icon
14 pages
Print Icon
To Next Page IconTo Next Page
To Next Page IconTo Next Page
To Previous Page IconTo Previous Page
To Previous Page IconTo Previous Page
Loading...
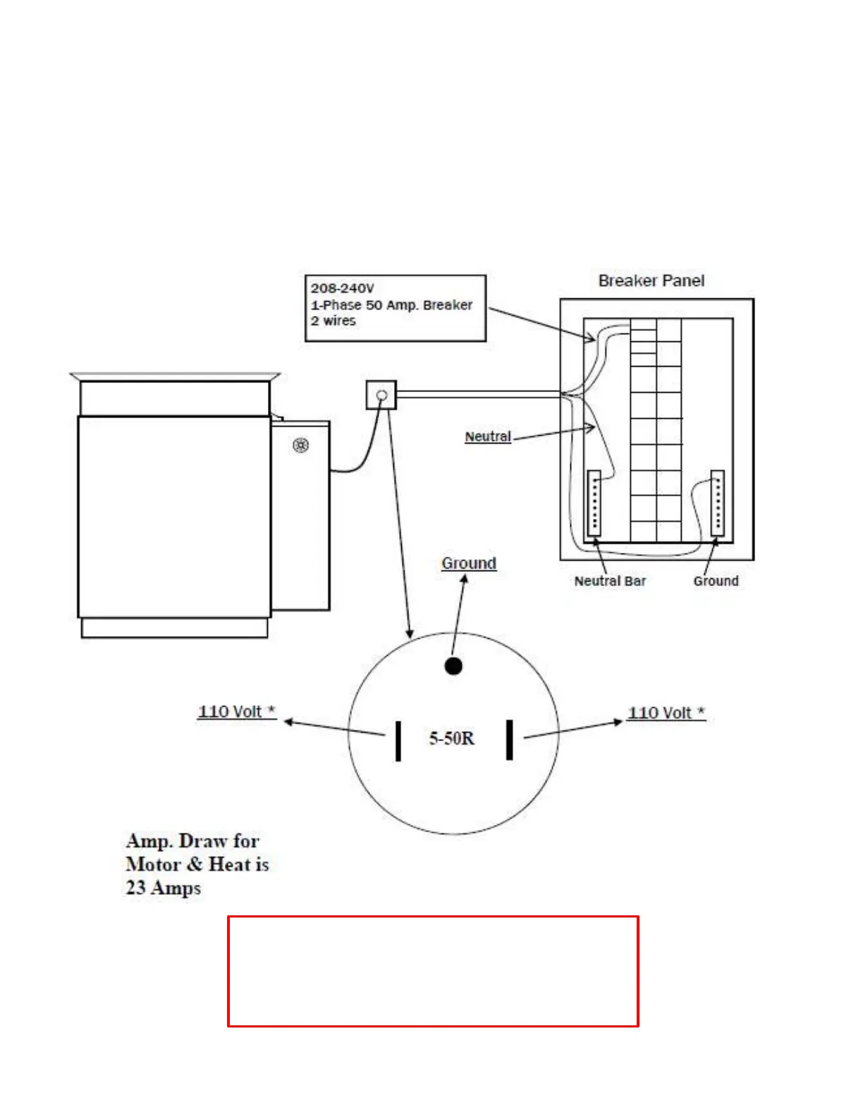
MODEL 2740
ELECTRICAL INSTRUCTIONS
CONTROLS MAIN CONTROL PANEL
9
ATTENTION
To avoid personal injury or damage to equipment
we recommend this unit be installed by a qualified
electrician. Crystal Clean assumes no responsibility
for damage caused by improper installation.
Heritage-Crystal Clean, LLC 2000 Center Drive, Suite East C300 Hoffman Estates, IL 60192 877-938-7948