EasyManua.ls Logo

CTM 360 Series - Page 76

CTM 360 Series
162 pages
Print Icon
To Next Page IconTo Next Page
To Next Page IconTo Next Page
To Previous Page IconTo Previous Page
To Previous Page IconTo Previous Page
Loading...
______________________
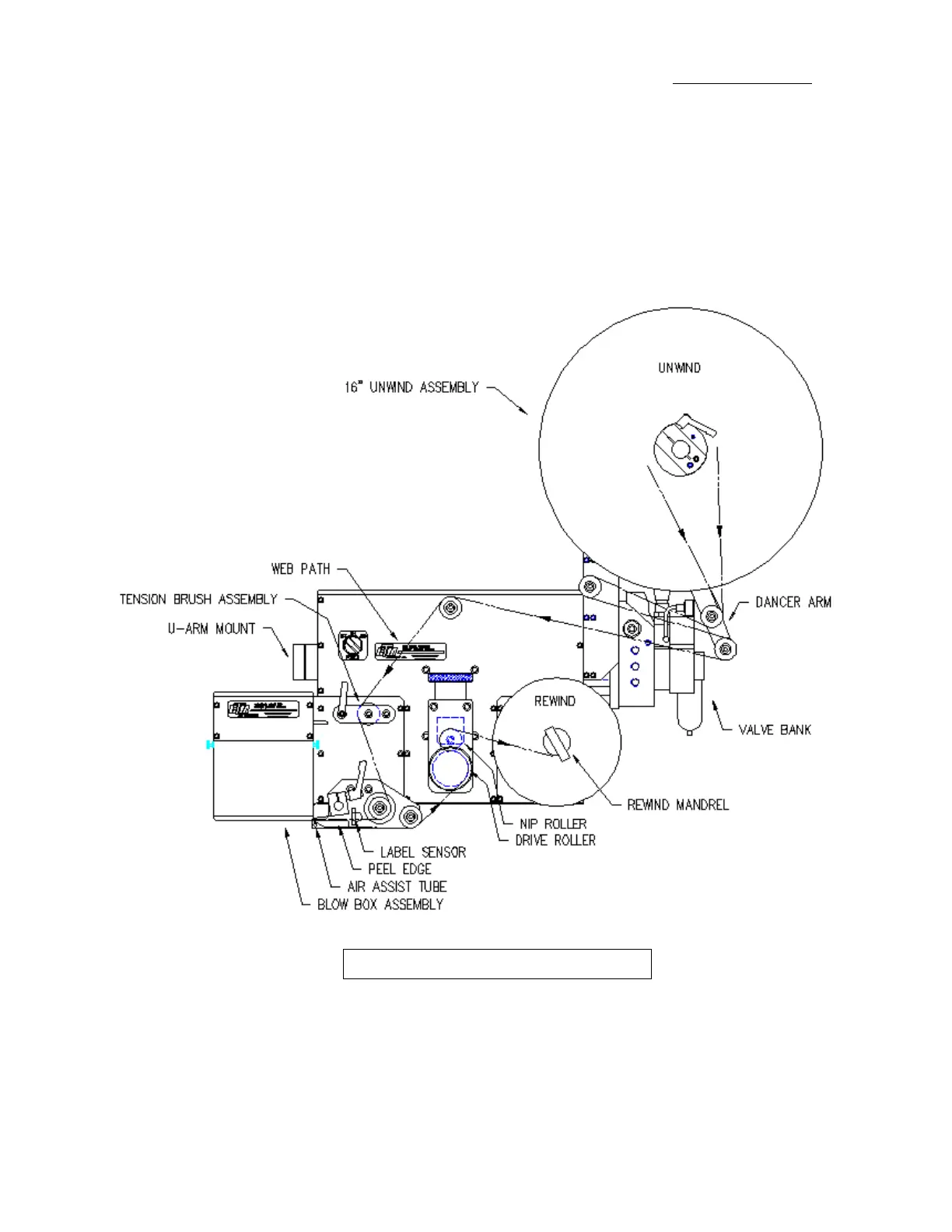
WEB PATH DIAGRAMS
360 SERIES LEFT HAND AIR BLOW
(With 16” Unwind)
Web Path Diagram and Machine Parts
70

Related product manuals