EasyManua.ls Logo

Cub Cadet 364, 365, 365L

Cub Cadet 364, 365, 365L
56 pages
To Next Page IconTo Next Page
To Next Page IconTo Next Page
To Previous Page IconTo Previous Page
To Previous Page IconTo Previous Page
Loading...
30
Models 364, 365, & 365L
1
2
3
4
5
6
7
8
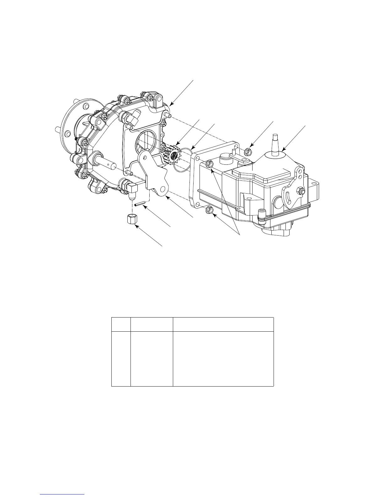
2
REF.
NO.
PART
NO. DESCRIPTION
1. 618-3110A Drive Ass’y Complete
2. 712-3004A Hex Flange Lock Nut 5/16-18
3. 715-0136 Spiral Pin 3/16 x 1.25
4. 717-3396 Spur Gear 14T
5. 717-3455 Hydro Transmission
6. 718-3053 Parking Brake Lever
7. 721-0343 O-Ring 2.0 Dia.
8. 727-3125 Cap Nut 3/8

Related product manuals