EasyManua.ls Logo

curt 13119 - Installation Summary and Components; Parts List and Diagram; Tools Required Recap; Installation Notes Summary

curt 13119
5 pages
Print Icon
To Next Page IconTo Next Page
To Next Page IconTo Next Page
To Previous Page IconTo Previous Page
To Previous Page IconTo Previous Page
Loading...
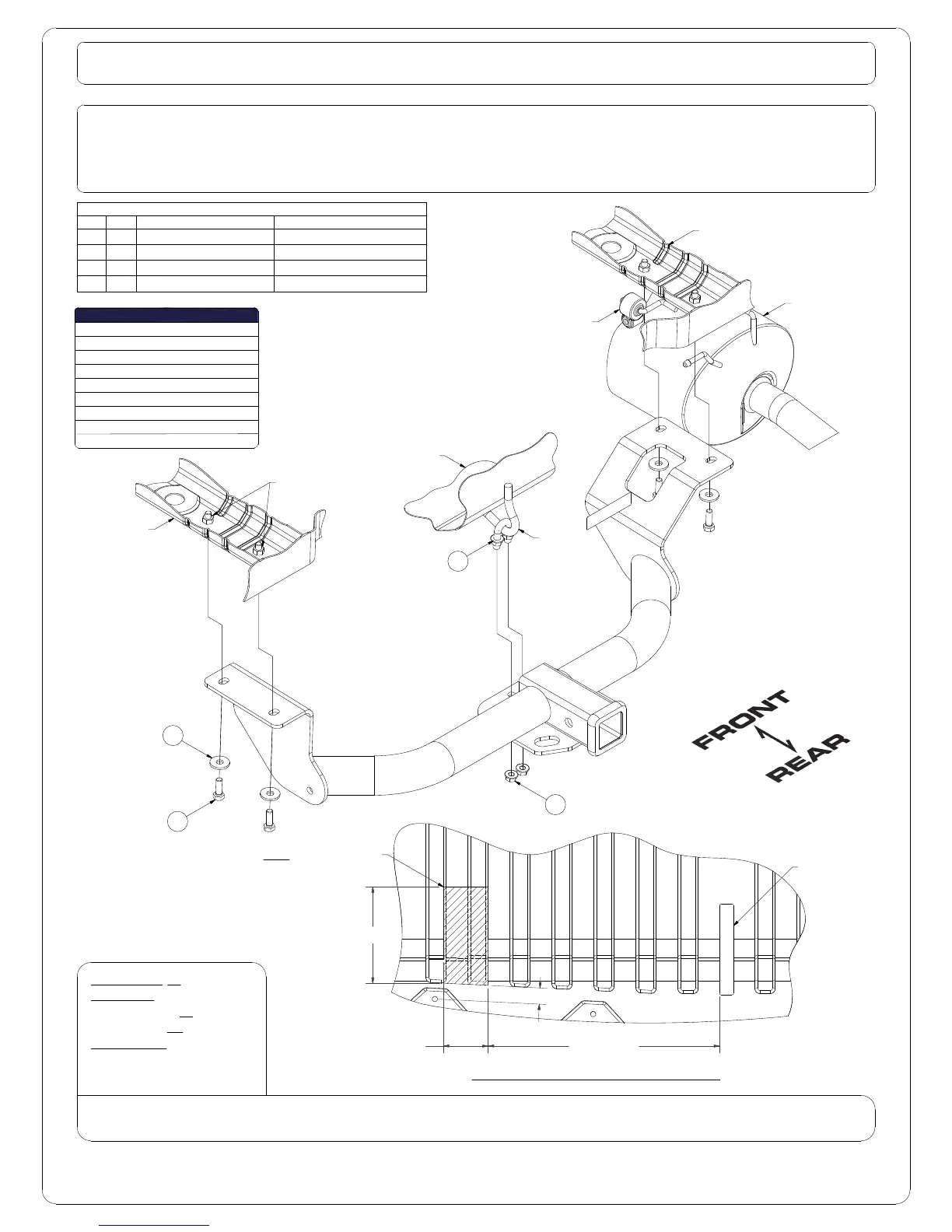
UNDERBODY PANEL TRIM DIAGRAM
Parts List
DESCRIPTIONPART NUMBERQTYITEM
HEX FLANGE NUT7/16-14
21
HEX BOLT
M10 - 1.25 x 3042
CONICAL TOOTHED WASHER7/16"43
U-BOLT7_16 - 14 x 1.75" x 1.00" C-C14
GROSS LOAD CAPACITY WHEN USED AS A WEIGHT CARRYING HITCH: LBS. TRAILER WEIGHT & LBS. TONGUE WEIGHT.
***DO NOT EXCEED VEHICLE MANUFACTURER'S RECOMMENDED TOWING CAPACITY.***
WARNING: ALL NON-TRAILER LOADS APPLIED TO THIS PRODUCT MUST BE SUPPORTED BY 18050 STABILIZING STRAPS.
** FAILURE TO PROPERLY SUPPORT NON-TRAILER LOADS WILL VOID PRODUCT WARRANTY**
HAVING INSTALLATION QUESTIONS? CALL TECHNICAL SUPPORT AT 1-800-798-0813
HITCH WEIGHT: LBS.
INSTALL TIME
PROFESSIONAL: MINUTES
NOVICE (DIY): MINUTES
INSTALL NOTES:
PERIODICALLY CHECK THIS RECEIVER HITCH TO ENSURE THAT ALL FASTENERS
ARE TIGHT AND THAT ALL STRUCTURAL COMPONENTS ARE SOUND.
Curt Manufacturing LLC., warrants this product to be free of defects in material and/or workmanship at the time of retail purchase by the original purchaser. If the product is found to be defective,
Curt Manufacturing LLC., may repair or replace the product, at their option, when the product is returned, prepaid, with proof of purchase. Alteration to, misuse of, or improper installation of
this product voids the warranty. Curt Manufacturing LLC.'s liability is limited to repair or replacement of products found to be defective, and specifically excludes liability for incidental or
consequential loss or damage.
3,500 350
30
30
HONDA CR-V
8/13/2018
13119 / 41576
60
- NO DRILLING REQUIRED
- UNDERBODY PANEL
TRIMMING REQUIRED
- LOWER EXHAUST
1
2
3
4
TOOLS REQUIRED
RACHET
TORQUE WRENCH
9" EXTENSION
10mm SOCKET
17mm SOCKET
11/16" SOCKET
SCREW DRIVER
ROTARY TOOL
SAFETY GLASSES
WELDNUTS
(BOTH SIDES)
DRIVER SIDE
FRAME RAIL
PASSENGER SIDE
FRAME RAIL
MUFFLER
RUBBER ISOLATOR
TOW LOOP
TRUNK PAN
NOTE: DIMENSIONS ARE
APPROXIMATE, CONFIRM
FIT PRIOR TO TRIMMING
EXISTING TOW
LOOP CUT-OUT
16.50 in3.25 in
7.00 in
1.50 in
1
CHG TO GRADE 8 TORQUE SPECS
1/28/2013 AJP
2 ADDED UHAUL PART NUMBER 41576 8/13/2018 AGC
REVISION HISTORY
REV DESCRIPTION DATE APPROVED

Related product manuals