EasyManua.ls Logo

Cushman 898627 - Diesel Engine and Transmission Mounting

Cushman 898627
186 pages
Print Icon
To Next Page IconTo Next Page
To Next Page IconTo Next Page
To Previous Page IconTo Previous Page
To Previous Page IconTo Previous Page
Loading...
74
2
3
5
5
5
6
6
7
7
8
8
8
9
9
10
10
12
12
1
2
11
11
11
11
13
14
16
21
21
22
2
3
2
4
27
28
29
39
40
30
31
33
4
4
17
15
25
26
34
37
38
18
18
19
20
35
36
32
1
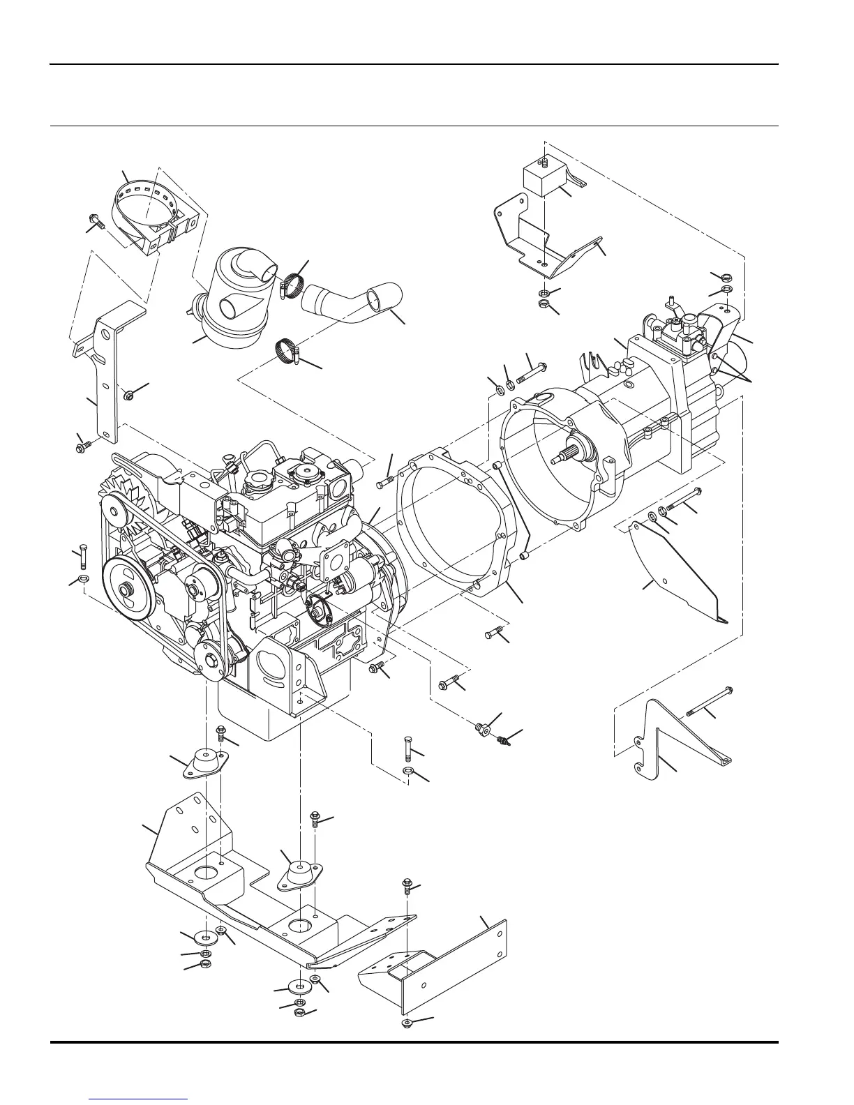
TURF TRUCKSTER
20.1 Diesel Engine and Transmission Mounting
Serial No. 84043 All
Serial No. 84044 All

Table of Contents

Other manuals for Cushman 898627

Related product manuals