EasyManua.ls Logo

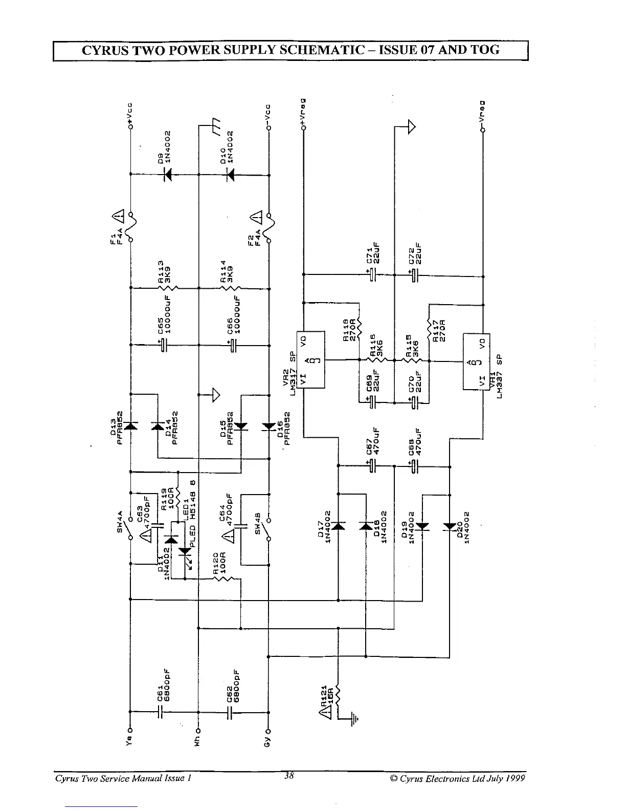
Cyrus Two - Cyrus Two Power Supply Schematic - Issue 07 and TOG

Cyrus Two
92 pages
Print Icon
To Next Page IconTo Next Page
To Next Page IconTo Next Page
To Previous Page IconTo Previous Page
To Previous Page IconTo Previous Page
Loading...

Related product manuals