EasyManua.ls Logo

DAB E2D 2,6 M - Page 132

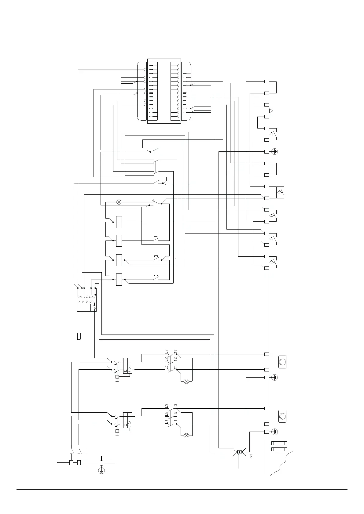
DAB E2D 2,6 M
Print Icon
To Next Page IconTo Next Page
To Next Page IconTo Next Page
To Previous Page IconTo Previous Page
To Previous Page IconTo Previous Page
Loading...
130
E2D 2,6 M
-KL1
SZ2
Q
O P
32
312 624 2523
< 8A
< 250V
0
24
-HL3
A1
A2
-KA1
-SA1
-KA1
C
N
A B
4321
-XC2
-XC1
22
2165
-XC2 -XC1
230
0
L1
N
P1
P2
-FU1 1A
L1 N
PIASTRA
-TC1
-QS1
-QM1
2
N
N1
-QM2
2
N
N1
-KM1
-KM2
NL1
A2
A1
-KM1
A2
A1
-KM2
-HL6
-SB1 -SB2
R
363 5
-KA2
-HL2
-KA2
11
14
22
21
-KA2
1
2
1
2
7
4
5
8
10
11
13
2
1
3
4
5
6
7
8
9
10
11
12
13
14
1
2
3
4
5
6
7
8
9
10
11
12
13
14
3
2
4
5
6
7
9
10
11
12
24
24
12 11 10
4 3 28 7 6
16d
16c
230
Ex0
0
0
0
0
24
24
30VA
3VA
PLATA
14-
3
1
4
2
A1
A2

Table of Contents

Related product manuals